Bonjour!
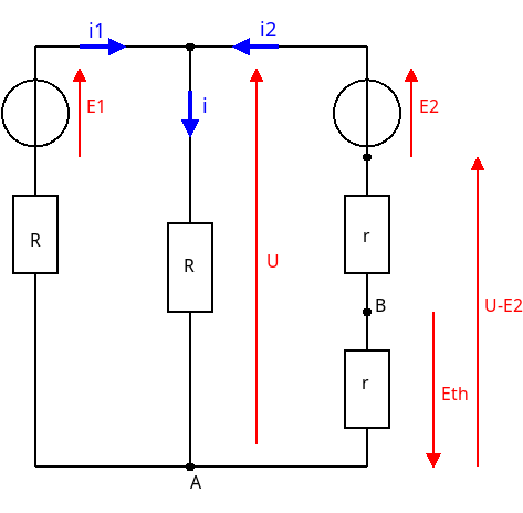
On dispose de deux générateurs de f.e.m. E1 et E2 et de résistance interne négligeable, de deux résistances r et de trois résistances R. On réalise le montage suivant (PJ).
Utiliser le théorème de Thévenin pour déterminer littéralement le courant i circulant dans R entre A et B.
Je ne sais pas quelle méthodologie utiliser: 1) appliquer directement le théorème de Thévenin, 2) passer par le théorème de superposition, 3) ou autre ?

Bonjour
Le principe de superposition est jouable : éteindre E1 apporte beaucoup de simplification au circuit. En revanche, éteindre E2 nécessite l'usage du théorème de Kennely sur la transformation triangle étoile.
Cela dit : l'énoncé semble ne pas laisser le choix : il faut utiliser le théorème de Thévenin.
Bonjour
Pour trouver l'intensité i traversant la résistance R du bas, tu enlèves cette résistance et tu détermines la fém Eth et la résistance Rth du générateur linéaire de tension équivalent au reste du circuit, vu des bornes A et B.
Le théorème de Thévenin donne la méthode permettant de calculer Eth et Rth. As-tu compris ce théorème ? Qu'est-ce qui te gêne exactement ?
Bonjour,
@Imam : merci de ne pas mettre ton adresse mail ou n° de téléphone sur le forum, à des fins de protection des données personnelles.
Si tu veux rendre visite ton adresse mail aux membres, tu peux le faire directement sur ton profil :
[lien]
Bonjour,
Est ce que quelqu'un pourrait m'expliquer comment il a obtenue ce résultat. J'ai compris le théorème de Thevenin mais sur ce circuit je n'y arrive vraiment pas.
Merci d'avance
Bonjour
La fem Eth est égale à UAB lorsque la résistance R du bas est enlevée. C'est donc la tension aux bornes de la résistance r entre A et B.
Une méthode possible : obtenir la tension aux bornes de la résistance centrale R par le théorème de Millman puis s'intéresser à la maille de droite.
Pose des questions supplémentaires si le théorème de Millman te pose problème.
Merci de votre réponse mon problème c'est que mon prof nous a donné cette exercice mais que l'on ne connaît pas le théorème de Millman. On connaît simplement le théorème de Thevenin et de superposition et d'après lui avec ces deux la on doit être capable de faire cette exercice. Mais je ne vois pas comment
Sous la forme ci-dessous, le circuit est peut-être plus facile à étudier, sachant que, pour déterminer Eth, la résistance R du bas a été enlevée.
Si tu ne connais pas le théorème de Millman, tu commences par écrire la lois des nœuds puis tu remplaces chacune des trois intensités par son expression en utilisant la loi d'Ohm. L'intensité i est ainsi remplacée par U/R. Pour i1 : son expression dépend de U, E1 et R ; pour i2 : son expression dépend de U, E2 et 2r. Tu vas obtenir ainsi l'expression de U en fonction de valeurs connues.
Pour Eth : notion de diviseur de tension appliquée aux deux résistances "r"...

D'accord donc pour trouver i1 je fais une maille dans la partie de gauche et j'obtiens i1=(E1-U)/R et pour i2 je fais une maille à droite et j'obtiens i2=(E2-U)/2r et je les remplaces dans la loi des noueux i=i1+i2. C'est ça ?
J'ai obtenu u= (RE2+E1x2r)/R mais je ne suis pas sûr du tout et ensuite je ne comprends pas comment prendre Eth en faisant une maille ?
Il te faut revoir ton calcul de U à partir de la loi des nœuds.
Pour l'expression de Eth, tu peux appliquer la notion de diviseur de tension à (U-E2) : voir schéma ci-dessous.

Désolé je pose beaucoup de questions bêtes mais si je comprends bien U s'applique à toutes les résistances qu'elles soient écrit avec un R ou r ?
Je n'arrive pas à comprendre est ce que vous pourriez me donner une correction que je puisse voir les étapes
Tu as réussi le plus difficile consistant à obtenir les expressions des intensités. Le reste est une question de calculs...
Loi des nœuds :
Je te laisse le soin de simplifier et d'obtenir l'expression de U. Ensuite : notion de diviseur de tension ou, peut-être plus simple : loi d'Ohm appliquée à la résistance r sans se tromper de signe :
Reste à remplacer U par la valeur obtenue précédemment.
Ensuite, il te faut Rth, la résistance de Thévenin. Pour cela, fais un schéma simple illustrant le théorème de Thévenin permettant de calculer cette résistance.
Le site a rencontré un problème temporaire.
Merci de retenter l'opération plus tard
Vous devez être membre accéder à ce service...
Pas encore inscrit ?
1 compte par personne, multi-compte interdit !
Ou identifiez-vous :