Fiche de physique - chimie
> >

Régime sinusoïdal forcé d'un circuit R, L, C

Résonance

Partager :




La maîtrise des notions fondamentales relatives aux nombres complexes est requise pour l'assimilation de ce cours.

I- Régime sinusoïdal forcé

1- Introduction


Dans le chapitre précédent, nous avons étudié les régimes transitoires des circuits R, L, C : nous leur appliquions un échelon de tension et observions l'évolution de la tension et l'intensité.

Cette fois-ci, leur comportement sera analysé dans le cas d'un régime sinusoïdal forcé. L'interêt d'un tel régime est de servir de base à l'étude de tout régime périodique. En effet, toute grandeur périodique de fréquence f peut se décomposer en une somme de grandeurs sinusoïdales de fréquences f,2f,\cdots, nf \enskip (n\text{ entier}). Si nous connaissons la réponse du circuit à chacune de ces composantes sinusoïdales, nous pouvons, par superposition, en déduire la réponse du circuit au signal périodique considéré. C'est le développement de Fourier, que nous aborderons dans le dernier cours consacré à l'électrocinétique.


2- Caractéristiques d'une grandeur alternative sinusoïdale


a- Définitions

Définition
Une grandeur sinusoïdale, dont la variation temporelle suit une fonction sinusoïdale, peut être représentée par une fonction du type:

x(t)=X_m \cos(\omega t +\varphi)

Tels que:

X_m : Amplitude ou intensité valeur maximale.
\omega : Pulsation, elle s'exprime en radian par seconde [\text{rad}.s^{-1}].
\varphi : Phase à l'origine des dates, elle s'exprime en radian [\text{rad}].
\omega t+\varphi : Phase à la date t.
T=\dfrac{2\pi}{\omega} : Période , elle s'exprime en seconde [s].
f=\dfrac{1}{f} : Fréquence, elle s'exprime en Hertz [Hz], qui correspond à l'inverse d'une seconde [Hz=s^{-1}]

On rappelle que la grandeur sinusoïdale x(t) est:

Périodique \text{ : }x(t)=x(t+T)=x(t+nT)\enskip\enskip (n\in\N) .
Alternative \text{ : }x(t)=-x\left(t+\dfrac{T}{2}\right)


Le graphe de la grandeur sinusoïdale x(t)\text{ :}
Régime sinusoïdal forcé d'un circuit R, L, C : image 45


Remarques:
La pulsation \omega exprime la vitesse angulaire de variation: c'est le rythme auquel la grandeur parcourt un cycle. En effet, la période T=\dfrac{2\pi}{\omega} représente le temps nécessaire pour que le signal reprenne exactement la même forme.

Chaque période se décompose en deux alternances, la grandeur sinusoïdale y prenant des valeurs opposées, en moyenne:
<x(t)>=\dfrac{1}{T}\displaystyle \int_0^{T} x(t)\text{ d}t=0


b- Déphasage d'une grandeur sinusoïdale par rapport à une autre:

Cette notion est vue généralement en travaux pratiques et se mesure à l'aide d'un oscilloscope.

Définition
Soient x_1(t)=X_1_{m} \cos(\omega t +\varphi_1)\text{ et }x_2(t)=X_2_{m} \cos(\omega t +\varphi_2) deux grandeurs sinusoïdales synchrones, c'est-à-dire de même pulsation \omega.

Le déphasage de x_1\text{ par rapport à }x_2 est la différence \Delta\varphi=\varphi_1-\varphi_2 . Il est déterminé au signe près, et on le choisi dans l'intervalle [-\pi;\pi]

Remarque:
De même, le déphasage de x_2 par rapport à x_1 est \Delta\varphi'=\varphi_2-\varphi_1=-\Delta\varphi


i) Expression du déphasage:

La grandeur x_1 est maximale la première fois en t_1 \text{ , il s'ensuit que : } \cos(\omega t_1+\varphi_1)=1 \Longrightarrow \omega t_1+\varphi_1=0\Longrightarrow \varphi_1=-\omega t_1

La grandeur x_2 est maximale la première fois en t_2 \text{ , d'où : } \cos(\omega t_2+\varphi_2)=1 \Longrightarrow \omega t_2+\varphi_2=0\Longrightarrow \varphi_2=-\omega t_2

On en tire que:
\Delta\varphi = \varphi_1-\varphi_2=\omega(t_2-t_1)


En notant \Delta t=t_2-t_1 \text{ , nous obtenons le déphasage de }x_1\text{ par rapport à }x_2\text{ :}

\boxed{\Delta\varphi= 2\pi\dfrac{\Delta t}{T}}


Nous en tirons aussi le déphasage de x_2 par rapport à x_1 :

\boxed{\Delta\varphi'=-2\pi\dfrac{\Delta t}{T}} , ou encore, en notant \Delta t'=t_1-t_2\text{ : }\boxed{\Delta\varphi'=2\pi\dfrac{\Delta t'}{T}}


Si x_2 est en avance par rapport à x_1 , c'est-à-dire \Delta t=t_2-t_1>0\text{ , alors : }\boxed{\Delta\varphi >0\enskip\text{ et }\enskip \Delta\varphi'<0 }

Si x_2 est en retard par rapport à x_1 , c'est-à-dire \Delta t=t_2-t_1<0\text{ , alors : }\boxed{\Delta\varphi <0\enskip\text{ et }\enskip \Delta\varphi' >0 }

Exemple:
Régime sinusoïdal forcé d'un circuit R, L, C : image 4


La grandeur x_1 est en avance par rapport à x_2, donc:

Le déphasage de x_1 par rapport à x_2 est positif: \Delta\varphi=\varphi_1-\varphi_2>0
Le déphasage de x_2 par rapport à x_1 est négatif: \Delta\varphi'=\varphi_2-\varphi_1<0\enskip\enskip (=-\Delta\varphi)


ii) Cas particuliers:

Grandeurs en phase: \Delta\varphi=0 , dans ce cas, leurs valeurs maximales et minimales se produisent simultanément, et ils passent par zéro aux mêmes instants et ont la même polarité.

Grandeurs en quadrature de phase: C'est le cas où \Delta\varphi=\pm\dfrac{\pi}{2}. Cela signifie que le maximum d'une grandeur coïncide avec le passage par zéro de l'autre grandeur.

Grandeurs en opposition de phase: \Delta\varphi=\pm\pi. Ce qui signifie que lorsque l'une des grandeurs atteint son maximum, l'autre atteint son minimum, et vice versa. En d'autres termes, les deux grandeurs oscillent à l'opposé l'une de l'autre.

3- Passage du régime transitoire au régime sinusoïdal forcé


a- Cas d'un circuit R,C ou R,L

Un dipôle R,C ou R,L est connecté à l'instant t=0 à une source de tension sinusoïdale de f.é.m. e(t)=E_m\cos (\omega t). Nous allons chercher la loi de variation de i(t).
Régime sinusoïdal forcé d'un circuit R, L, C : image 11


D'après la loi des mailles, les équations différentielles relatives au courant i(t) s'écrivent :

\begin{matrix} \text{Circuit RC}&:& E_m\cos\omega t =Ri+\dfrac{q}{C}&\Longrightarrow &\boxed{\dfrac{1}{C}i+R\dfrac{\text{d}i}{\text{d}t}=-\omega E_m\sin\omega t}&\text{(par dérivation)} \\\\ \text{Circuit RL} &:& &&\boxed{Ri+L\dfrac{\text{d}i}{\text{d}t}=E_m\cos \omega t}\end{matrix}


Les solutions des ces équations différentielles linéaires du premier ordre avec second membre à variations sinusoïdales, se mettent sous la forme:

i(t)=i_1(t)+i_2(t)


Tel que:

\begin{matrix} \text{Circuit RC} &:& &&\\& &\bullet& i_1(t)=k e^{-t/\tau}\text{ tel que }\tau=RC&\left(\text{ solution générale de l'équation différentielle sans second membre  } \right)\\\\& &\bullet& i_2(t)=a\cos\omega t+b\sin \omega t&\left(\text{ solution particulière de l'équation différentielle complète  }\right)  \\\\\\   \text{Circuit RL} &:& &&\\& &\bullet& i_1(t)=k' e^{-t/\tau'}\text{ tel que }\tau'=\dfrac LR&\left(\text{ solution générale de l'équation différentielle sans second membre  } \right)\\\\& &\bullet& i_2(t)=a'\cos\omega t+b'\sin \omega t&\left(\text{ solution particulière de l'équation différentielle complète  }\right)\end{matrix}


Les constantes d'intégration k,k' sont obtenues en étudiant les conditions initiales, les constantes a,a',b,b' sont obtenues par identification.

(a,b \text{ dépendent de }R,C,\omega,E_m \enskip\enskip\text{ et }\enskip\enskip a',b' \text{ dépendent de }R,L,\omega,E_m )

Ce qui conduit finalement à:

\boxed{\begin{matrix} i(t)=k e^{-t/\tau}+a\cos\omega t+b\sin \omega t &\text{ , pour le circuit RC} \\\\ i(t)=k' e^{-t/\tau'}+a'\cos\omega t+b'\sin \omega t &\text{ , pour le circuit RL}\end{matrix}}


Les constantes de temps \tau\text{ ou }\tau' sont faibles avec les valeurs usuelles de R,L\text{ et }C, en effet:

Exemple numérique: R=10^2\Omega \text{ , }L=1H\text{ , }C=1\mu F \text{ : }

\tau=10^{-4} s \enskip\text{ et }\enskip \tau'=10^{-2} s


Et comme le terme en e^{-t/\tau }\text{ ou }e^{-t/\tau' } dans l'expression de i(t) devient négligeable dès que l'instant t est égal à quelques fois la constante de temps \tau\text{ ou }\tau', nous obtenons rapidement:

i_1(t)\simeq 0\enskip\text{ et }\enskip i(t)\simeq i_2(t)

Conclusion
Au bout d'un petit intervalle de temps \Delta t , égale à quelques fois la constante de temps du circuit RC ou RL, la solution i(t) se confond avec la solution particulière sinusoïdale de l'équation différentielle complète.

Le régime dit sinusoïdal forcé est alors établi (le temps \Delta t correspond à la durée d'existence du régime transitoire).

b- Cas d'un circuit R,L,C série

Nous considérons un circuit R,L,C série connecté à l'instant t=0 à une source libre de tension sinusoïdale u(t)=U_m\cos \omega t de pulsation \omega .

Régime sinusoïdal forcé d'un circuit R, L, C : image 12

L'équation différentielle s'écrit:

\boxed{L\dfrac{\text{d}^2 i}{\text{d}t^2}+R\dfrac{\text{d}i}{\text{d}t}+\dfrac{1}{C} i= -\omega U_m\sin\omega t }


La solution de cette équation s'écrit:

i(t)=i_1(t)+i_2(t)


Avec:

\begin{matrix}\bullet& i_1(t)&:&\text{ solution générale de l'équation différentielle sans second membre  } \right)\\\bullet& i_2(t)=I_m\cos(\omega t+\varphi)&:&\text{ solution particulière sinusoïdale de l'équation différentielle complète  }\end{matrix}


La partie i_1(t) correspond au régime libre en l'absence de source de tension. Nous avons montré précédemment que le signal i_1(t) dépend des constantes d'intégration. Le calcul de ces constantes fait intervenir les conditions initiales du circuit R,L,C. En outre, le signal i_1(t) s'annule au bout d'un temps relativement court, et ceci quelque soit le régime de variations: apériodique, critique ou pseudo-périodique.

On en déduit que le courant i(t) se limite rapidement à sa partie sinusoïdale i_2(t) qui correspond au régime sinusoïdal forcé, indépendante des conditions initiales du circuit
Conclusion
En résumé, le régime sinusoïdal forcé d'un circuit R,L,C série s'établit rapidement, après extinction du régime transitoire:

i_1(t)\simeq 0\enskip\text{ et }\enskip i(t)\simeq i_2(t)\Longrightarrow i(t)=I_m\cos(\omega t+\varphi)

Cette propriété se généralise à un circuit R,L,C quelconque.

Dans toute la suite, nous ne considérons que le seul régime sinusoïdal forcé.

II- Représentation complexe de grandeurs sinusoïdales

1- Notation complexe d'une grandeur sinusoïdale


Soit x une grandeur sinusoïdale, notons son amplitude X_m, sa pulsation \omega et sa phase à l'origine \varphi\text{ , on a donc : } x(t)=X_m\cos(\omega t +\varphi) .

Sachant que e^{j(\omega t + \varphi)}=\cos(\omega t+\varphi)+j\sin(\omega t+\varphi) , nous en déduisons:

\enskip \cos(\omega t+\varphi) =\mathcal{R}e\left[e^{j(\omega t+\varphi)}\right]

Soit:

\begin{matrix} x(t)&=&X_m\cos(\omega t+\varphi) &=&\mathcal{R}e\left[X_m e^{j(\omega t+\varphi)}\right]\end{matrix}


Notations
On fait correspondre à une grandeur sinusoïdale x(t)=X_m\cos(\omega t+\varphi) la grandeur complexe \underline{x}=X_m e^{j(\omega t+\varphi)}\right] telle que:

x=\mathcal{R}e(\underline{x})

La grandeur complexe \underline{x} peut également s'écrire:

\underline{x}=X_m e^{j(\omega t+\varphi)}=X_m e^{j\varphi}e^{j\omega t}=\underline{X}_m e^{j\omega t}


\underline{X}_m=X_m e^{j\varphi}\text{ : valeur maximale complexe de la grandeur }\underline{x}

\left|\underline{X}_m\right|=X_m \text{ : valeur maximale de }x(t)

\arg \underline{X}_m =\varphi \text{ : phase à l'origine de }x(t).


2- Intérêt de la représentation complexe


a- Dérivée et primitive en notation complexe

Soit x une grandeur sinusoïdale x(t)=X_m\cos(\omega t +\varphi) , on peut poser \underline{x}=X_m e^{j(\omega t+\varphi)}=\underline{X}_m e^{j\omega t}, et donc:

\underline{x}=\underline{X}_m e^{j\omega t}\enskip\enskip\text{ , }\enskip\enskip \dfrac{\text{d}\underline{x}}{\text{d}t} = j\omega \underline{X}_m e^{j\omega t}\enskip\enskip\text{ , }\enskip\enskip \dfrac{\text{d}^2\underline{x}}{\text{d}t^2} = (j\omega)^2 \underline{X}_m e^{j\omega t}=-\omega^2 \underline{X}_m e^{j\omega t}\enskip\enskip\text{ et }\enskip\enskip \displaystyle \int \underline{x}\text{ d}t=\dfrac{1}{j\omega}\underline{X}_m e^{j\omega t}

Résultat
On a les correspondances suivantes:

La dérivée d'une grandeur complexe est obtenue en multipliant la grandeur complexe par j\omega\text{ : }\enskip \boxed{\dfrac{\text{d}\underline{x}}{\text{d}t} = j\omega\underline{x}}

La dérivée seconde d'une grandeur complexe est obtenue en multipliant la grandeur complexe par (j\omega)^2\text{ : }\enskip \boxed{\dfrac{\text{d}^2\underline{x}}{\text{d}t^2} = -\omega^2\underline{x}}

La dérivée d'ordre p\enskip (p\in\N) d'une grandeur complexe est obtenue en multipliant la grandeur complexe par (j\omega)^p\text{ : }\enskip

 \boxed{\dfrac{\text{d}^p\underline{x}}{\text{d}t^p} = (j\omega)^p\underline{x}}


La primitive d'une grandeur complexe est obtenue en multipliant celle-ci par \dfrac{1}{j\omega}\tet{ : }\enskip\boxed{\displaystyle \int \underline{x}\text{ d}t=\dfrac{1}{j\omega}\underline{x}}

b- Équation différentielle linéaire du premier ordre en notation complexe

Soit un circuit parcouru par un courant i(t) qui est solution d'une équation différentielle linéaire du premier ordre du type:

ai+b\dfrac{\text{d}i}{\text{d}t}=A\cos\omega t

En régime sinusoïdal forcé, le courant i(t) a pour expression: i(t)=I_m\cos(\omega t+\varphi). On cherche à déterminer l'intensité maximale I_m et la phase à l'origine \varphi de ce courant en fonction des paramètres a,b,A\text{ et }\omega .
On remplace l'équation différentielle par l'équation complexe associée vérifiée par \underline{i}(t) , soit:

\boxed{\underline{i}=\dfrac{A}{a+jb\omega}e^{j\omega t} =\underline{I}_m e^{j\omega t}}

Avec \underline{I}_m=\dfrac{A}{a+jb\omega}\text{ (intensité maximale complexe)}.

L'égalité entres les deux complexes se traduit par (en supposant \enskip A>0):

L'égalité des modules: I_m=\dfrac{A}{\sqrt{a^2+b^2\omega^2}}
L'égalité des arguments: \varphi=-\arg(a+jb\omega)=-\arctan\left(\dfrac{b\omega}{a}\right)

Remarques:

La même méthode est utilisée si l'équation différentielle du circuit est en u(t).

\varphi est défini à \pi près, connu avec précision par la valeur de cos\varphi \text{ ou }\sin\varphi

Pour A<0 , nous avons: I_m=\dfrac{|A|}{\sqrt{a^2+b^2\omega^2}}\enskip\text{ et }\enskip\varphi=\pi-\arctan\left(\dfrac{b\omega}{a}\right)


c- Équation différentielle linéaire du second ordre en notation complexe

Considérons à présent un circuit dont le courant i(t) est solution d'une équation différentielle linéaire du second ordre du type:

ai+b\dfrac{\text{d}i}{\text{d}t}+c\dfrac{\text{d}^2i}{\text{d}t^2}=A\cos\omega t

En régime sinusoïdal forcé, le courant i(t) a pour expression i(t)=I_m\cos(\omega t+\varphi). On cherche à déterminer I_m et \varphi en fonction des paramètres a,b,c,A\text{ et }\omega .
On remplace l'équation différentielle par l'équation complexe associée vérifiée par \underline{i}(t) , soit:

\boxed{\underline{i}=\dfrac{A}{a+jb\omega-c\omega^2}e^{j\omega t} =\underline{I}_m e^{j\omega t}}

Avec \underline{I}_m=\dfrac{A}{a+jb\omega-c\omega^2}\text{ (intensité maximale complexe)}.

En supposant \enskip A>0, l'égalité entre deux complexes se traduit par:

L'égalité des modules: I_m=|\underline{I}_m|=\dfrac{A}{\sqrt{(a-c\omega^2)^2+b^2\omega^2}}
L'égalité des arguments: \varphi=-\arg(a-c\omega^2+jb\omega)=-\arctan\left(\dfrac{b\omega}{a-c\omega^2}\right)

Remarques:

La même méthode est utilisée si l'équation différentielle du circuit est vérifiée par u(t).

\varphi est défini à \pi près par l'arctan, connu avec précision par la valeur de cos\varphi \text{ ou }\sin\varphi , dans l'exemple proposé, l'expression de \underline{I}_m conduit à :

I_me^{j\varphi}=I_m(\cos\varphi+j\sin\varphi)=\dfrac{A}{a-c\omega^2+jb\omega}=\dfrac{A(a-c\omega^2-jb\omega)}{(a-c\omega^2)^2+b^2\omega^2}

D'où: \sin\varphi du signe de -b (si A>0)

Pour A<0 , nous avons: I_m=\dfrac{|A|}{\sqrt{(a-c\omega^2)^2+b^2\omega^2}}\enskip\text{ et }\enskip\varphi=\pi-\arctan\left(\dfrac{b\omega}{a-c\omega^2}\right)


3- Représentation vectorielle dans le plan complexe: Diagramme de Fresnel


a- Vecteur tournant

Dans le plan complexe muni d'un repère orthonormal (O,\vec{e}_x,\vec{e}_y) , considérons le vecteur \overrightarrow{OP} de module OP=X_m, tournant autour du point O dans le sens trigonométrique avec une vitesse angulaire constante \omega.

Nous prenons l'axe des abscisses (O,\vec{e}_x) du plan complexe comme axe de référence tel que: \left(\vec{e}_x,\overrightarrow{OP}\right)=\varphi \text{ à }t=0.

Notons H, la projection de P sur l'axe des abscisses, nous obtenons:

\overrightarrow{OH}(t)=OP\cos(\omega t+\varphi) = X_m\cos(\omega t+\varphi)


Inversement, à toute grandeur sinusoïdale x(t)=X_m\cos(\omega t+ \varphi) , on peut faire correspondre un vecteur tournant \overrightarrow{OP}(t) dit vecteur de Fresnel*:

\boxed{\begin{matrix} x(t)=X_m\cos(\omega t+\varphi) \iff  \overrightarrow{OP}(t) \\\\ \left|\left|\overrightarrow{OP}\right|\right|=X_m \text{ : }\text{amplitude de }x(t) \\\\ \left(\vec{e}_x,\overrightarrow{OP}\right)=\omega t +\varphi \text{ : phase instantanée de }x(t)\end{matrix}}


Régime sinusoïdal forcé d'un circuit R, L, C : image 46


*Augustin-Jean Fresnel, physicien français, a développé la théorie ondulatoire de la lumière et posé les bases de la représentation vectorielle de la polarisation qui porte son nom et qui est largement utilisée en optique, en électrocinétique et en mécanique.

b- Intérêt de la représentation de Fresnel

Addition de deux grandeurs sinusoïdales

Soient x_1(t)=X_1_m \cos(\omega t+\varphi_1) \text{ et } x_2(t)=X_2_m \cos(\omega t+\varphi_2) deux grandeurs sinusoïdales associées aux vecteurs tournants \overrightarrow{OP}_1(t)\text{ et }\overrightarrow{OP}_2(t) .

Étant donné que la projection vectorielle est une application linéaire, nous en déduisons, en notant x=x_1+x_2:

x_1+x_2=x=X_m\cos(\omega t+ \varphi)\iff \overrightarrow{OP}_1+\overrightarrow{OP}_2=\overrightarrow{OP}

Régime sinusoïdal forcé d'un circuit R, L, C : image 31

Cette correspondance est valable quel que soit t, puisque les trois vecteurs tournent à la même vitesse angulaire \omega : L'ensemble est donc indéformable au cours du temps.

Dérivée et primitive d'une grandeur sinusoïdale

Considérons la grandeur sinusoïdale x(t)=X_m\cos(\omega t+ \varphi) et \overrightarrow{OP}(t) de module OP=X_m son vecteur tournant.

-Déterminons le vecteur tournant de sa dérivée, qu'on note \overrightarrow{OP}_1\text{ : }

\begin{matrix} \bullet\enskip \dfrac{\text{d}x}{\text{d}t}=-\omega X_m\sin(\omega t+\varphi)=\omega X_m\cos\left(\omega t+\varphi+\dfrac{\pi}{2}\right)&\iff& \begin{cases}\left|\left|\overrightarrow{OP}_1\right|\right|=\omega X_m \\\\ \widehat{\left( \overrightarrow{e_x}  ,  \overrightarrow{OP}_1\right)}=\varphi+\dfrac{\pi}{2}\end{cases}\end{matrix}


\boxed{\text{La grandeur sinusoïdale } \dfrac{\text{d}x}{\text{d}t} \text{ est en quadrature avance par rapport à }x(t)}


-Déterminons de même le vecteur tournant de sa primitive, qu'on note \overrightarrow{OP}_2\text{ : }

\begin{matrix} \bullet\enskip \displaystyle \int x \text{ d}t= \dfrac{X_m}{\omega}\sin(\omega t+\varphi)=\dfrac{X_m}{\omega}\cos\left(\omega t+\varphi-\dfrac{\pi}{2}\right)&\iff& \begin{cases}\left|\left|\overrightarrow{OP}_2\right|\right|=\dfrac{X_m}{\omega} \\\\ \widehat{\left( \overrightarrow{e_x}  ,  \overrightarrow{OP}_2\right)}=\varphi-\dfrac{\pi}{2}\end{cases}\end{matrix}


\boxed{\text{La grandeur sinusoïdale } \displaystyle \int x \text{ d}t \text{ est en quadrature retard par rapport à }x(t)}

Régime sinusoïdal forcé d'un circuit R, L, C : image 47

III- Dipôles linéaires en notation complexe

1- Impédance et admittance complexes


Considérons un dipôle passif D, soumis à une tension sinusoïdale u(t)=U_m\cos(\omega t ) , qui est parcouru par un courant i(t)=I_m\cos(\omega t +\varphi) , en régime sinusoïdal forcé.

Régime sinusoïdal forcé d'un circuit R, L, C : image 3

Dans le cas d'un dipôle linéaire passif, nous savons que la tension u(t) est:
Soit proportionnelle à i(t) , pour un résistor.
Soit liée à i(t) par une équation différentielle à coefficients constants , par exemple, dans le cas d'un groupement R,L,C série.

Par conséquent:
La représentation complexe des grandeurs sinusoïdales u(t) et i(t) d'un dipôle passif linéaire se traduit par une relation de proportionnalité entre les grandeurs complexes correspondantes \underline{u}\text{ et }\underline{i} de la forme:

\underline{u}=\underline{Z}\enskip\underline{i}\enskip\enskip\text{ ou }\enskip\enskip \underline{i}=\underline{Y}\enskip\underline{u}


\underline{Z}\text{ : désigne l'impédance complexe du dipôle , exprimée en ohm } [\Omega]

\underline{Y}\text{ : désigne l'admittance complexe du dipôle , exprimée en Siemens } [S]\text{ ou }[\Omega^{-1}]

2- Dipôles fondamentaux


Les expressions des impédances et admittances complexes:

\text{Dipôle}
\text{Résistor}
\text{Bobine idéale}
\text{Condensateur idéal}
\text{Relation courant-tension}
u = R \cdot i
u = L \dfrac{\text{d}i}{\text{d}t}
i = C \dfrac{\text{d}u}{\text{d}t}
\text{Relation entre }\underline{u}\text{ et }\underline{i}
\underline{u} = R\underline{i}
\underline{u} = jL\omega\underline{i}
\underline{i} = jC\omega\underline{u}
\text{Impédance complexe}
\underline{Z}_R = R
\underline{Z}_L = jL\omega
\underline{Z}_C = \dfrac{1}{jC\omega}
\text{Admittance complexe}
\underline{Y}_R = \dfrac{1}{R}
\underline{Y}_L = \dfrac{1}{jL\omega}
\underline{Y}_C = jC\omega


Précisons à présent les caractéristiques du courant circulant dans le dipôle considéré, soumis à la tension sinusoïdale u(t) = U_m\cos\omega t .

Régime sinusoïdal forcé d'un circuit R, L, C : image 30


En notation complexe, nous avons:

\underline{u} = U_me^{j\omega t} \enskip\text{ et }\enskip\underline{i}=I_me^{j(\omega t+\varphi)}=\underline{I}_m e^{j\omega t }


\underline{I}_m = I_me^{j\varphi}\text{ étant l'intensité maximale complexe.}

La relation \underline{i} = \underline{Y}\enskip\underline{u} se traduit par:

\underline{I}_m e^{j\omega t } = \underline{Y} U_me^{j\omega t }\Longrightarrow \boxed{\underline{I}_m=I_me^{j\varphi}=\underline{Y} U_m }


Égalité des modules: \boxed{I_m = \left|\underline{Y}\right| U_m }

Égalité des arguments: \boxed{\varphi = \arg\underline{Y} }


a- Résistor
\underline{Y}_R=\dfrac{1}{R}\text{ (réel) : }I_m = \dfrac{U_m}{R}\enskip\text{ , }\enskip\varphi=0


\boxed{\text{Courant et tension sont en phase pour un résistor}}

Digramme de Fresnel:
Régime sinusoïdal forcé d'un circuit R, L, C : image 6



b- Bobine idéale
\underline{Y}_L=\dfrac{1}{jL\omega} = -\dfrac{j}{L\omega}=\dfrac{e^{-j\pi/2}}{L\omega} \enskip\text{ , d'où }\enskip I_m=\dfrac{U_m}{L\omega}\enskip\text{ , }\enskip\varphi=-\dfrac{\pi}{2}


\boxed{\text{Le courant d'une bobine idéale est en quadrature retard par rapport à la tension}}

Digramme de Fresnel:
Régime sinusoïdal forcé d'un circuit R, L, C : image 21



c- Condensateur idéal
\underline{Y}_C=jC\omega=C\omega e^{j\pi/2} \enskip\text{ , d'où }\enskip I_m=C\omega U_m\enskip\text{ , }\enskip\varphi=+\dfrac{\pi}{2}


\boxed{\text{Le courant d'un condensateur idéal est en quadrature avance par rapport à la tension}}

Digramme de Fresnel:
Régime sinusoïdal forcé d'un circuit R, L, C : image 29

3- Groupement de dipôles passifs


a- Groupement série

Impédance équivalente

Soit un groupement série de dipôles passifs D_k , d'impédance complexe \underline{Z}_k , l'intensité \underline{i} étant commune, exprimons la tension \underline{u} aux bornes du groupement:

\underline{u}=\displaystyle \sum_{k} \underline{u}_k= \displaystyle \sum_{k} \underline{Z}_k\enskip\underline{i}= \left(\displaystyle \sum_{k} \underline{Z}_k\right)\underline{i}=\underline{Z}_{eq}\enskip\underline{i} \enskip\enskip\text{ , avec }\enskip \boxed{ \underline{Z}_{eq}=\displaystyle \sum_{k} \underline{Z}_k}

Régime sinusoïdal forcé d'un circuit R, L, C : image 35


Cas particulier: Groupement R,L,C série

On remplace chaque dipôle par son impédance complexe, l'impédance équivalente \underline{Z} est alors:

\underline{Z}=\underline{Z}_R+\underline{Z}_L+\underline{Z}_C\Longrightarrow \boxed{\underline{Z}=R+j\left(L\omega -\dfrac{1}{C\omega}\right)}

Régime sinusoïdal forcé d'un circuit R, L, C : image 36


On en déduit l'amplitude I_m du courant i(t) et son déphasage \varphi par rapport à la tension u(t)\text{ : }

\underline{I}_m e^{j\varphi }=\dfrac{U_m}{\underline{Z}} \Longrightarrow \boxed{I_m=\dfrac{U_m}{\left|\underline{Z}\right|}=\dfrac{U_m}{\sqrt{R^2+\left(L\omega -\dfrac{1}{C\omega}\right)^2}}}


\varphi=-\arg \underline{Z} = -\arctan\left(\dfrac{L\omega-\dfrac{1}{C\omega}}{R}\right) \enskip\enskip\text{ ou } \enskip\enskip\boxed{\tan \varphi=-\dfrac{L\omega-\dfrac{1}{C\omega}}{R}}\enskip\text{ , avec }\cos\varphi>0


Exercice
Une bobine réelle, d'inductance L et de résistance interne r, sous une tension sinusoïdale u(t)=U_m\cos\omega t est parcourue par un courant i(t)=I_m\cos(\omega t +\varphi).

Déterminer I_m \text{ et } \varphi.

Correction

 Cliquez pour afficher

b- Groupement parallèle

Admittance équivalente

Soit un groupement parallèle de dipôles passifs D_k , d'admittance complexe \underline{Y}_k , sous une tension \underline{u}:
Régime sinusoïdal forcé d'un circuit R, L, C : image 22


\underline{i}=\displaystyle \sum_{k} \underline{i}_k= \displaystyle \sum_{k} \underline{Y}_k\enskip\underline{u}= \left(\displaystyle \sum_{k} \underline{Y}_k\right)\underline{u}=\underline{Y}_{eq}\enskip\underline{u} \enskip\enskip\text{ , avec }\enskip \boxed{ \underline{Y}_{eq}=\displaystyle \sum_{k} \underline{Y}_k}

On obtient:
\boxed{\underline{Y}_{eq}=\displaystyle \sum_k \underline{Y}_k} \enskip\enskip , \text{ ou }\enskip\enskip \boxed{\dfrac{1}{\underline{Z}_{eq}}=\displaystyle \sum_k \dfrac{1}{\underline{Z}_{k}}}


On remarque l'analogie avec la loi d'assiciation des résistances, en paralèle.

Cas particulier: Groupement R,L,C parallèle
Régime sinusoïdal forcé d'un circuit R, L, C : image 5

L'admittance équivalente de ce groupement est:
\boxed{\underline{Y}=\underline{Y}_L+\underline{Y}_R+\underline{Y}_C=\dfrac{1}{R}+j\left(C\omega-\dfrac{1}{L\omega}\right)}

On en déduit le courant i(t)=I_m\cos(\omega t +\varphi) circulant dans le circuit soumis à la tension u(t)=U_m\cos(\omega t )\tex{ :}

\underline{i}=\underline{Y}\underline{u}\enskip\enskip\text{ , soit }\enskip \enskip \underline{I}_m=I_me^{j\vaprhi}=\underline{Y}U_m


On en tire:
\boxed{I_m=|\underline{Y}|U_m=\sqrt{\dfrac{1}{R^2}+\left(C\omega-\dfrac{1}{L\omega}\right)^2}\text{ . }\enskip U_m  \enskip \enskip\text{ et }\enskip\enskip \tan\varphi=\dfrac{C\omega-\frac{1}{L\omega}}{\frac{1}{R}}}} \text{ avec, }\cos\vaprhi >0


Exercice
Une source libre de tension u(t)=U_m\cos\omega t alimente un circuit composé d'une bobine (R,L) en série avec le groupement (L'//C).
La bobine (R,L) est parcourue par le courant i(t)=I_m\cos(\omega t +\varphi)
Régime sinusoïdal forcé d'un circuit R, L, C : image 39


1) Montrer que l'impédance complexe du circuit peut se mettre sous la forme:

\underline{Z}=R+jX_{(\omega)} \enskip\enskip\text{ avec }\enskip\enskip X_{(\omega)}=L\omega\left(\dfrac{\omega_1^2-\omega^2}{\omega_2^2-\omega^2}\right)
en identifant \omega_1\text{ et }\omega_2

2) En déduire les expressions de I_m\text{ et }\varphi en fonction de U_m\text{ , }R\text{ et }X.


Correction
 Cliquez pour afficher


4- Générateurs de tension ou de courant en notation complexe: modèles de Thévenin et de Norton

En régime sinusoïdal forcé, un dipôle actif linéaire peut être représenté en notation complexe (en transposant la modélisation déjà vu en régime permanant):

Soit par un générateur de Thévenin, de f.é.m. \underline{e} et d'impédance \underline{Z}.

Soit par un générateur de Norton, de c.é.m. \underline{\eta}=\dfrac{\underline{e}}{\underline{Z}} = \underline{Y}\enskip\underline{e}. L'imdépance \underline{Z}=\dfrac{1}{\underline{Y}} étant disposée en parallèle.


Régime sinusoïdal forcé d'un circuit R, L, C : image 7

IV- Circuits linéaires en régime sinusoïdal forcé

1- Lois de Kirchhoff en notation complexe


Du fait de la linéarité de l'application z\mapsto \mathcal{R}e(z) , les lois de Kirchhoff se généralisent en notation complexe:

Loi des noeuds
La somme des intensités des courants algébriques arrivant à un noeud du circuit est égale à la somme des intensités des courants algébriques qui en partent.

En cas de n conducteurs parvenant ou issus d'un noeud N :

\boxed{\displaystyle \sum_{k=1}^{n} \epsilon_k \underline{i}_k=0\enskip\enskip \text{ , avec }\enskip\enskip \begin{cases} \epsilon_k=1&\text{ pour un courant arrivant vers }N \\  \epsilon_k=-1&\text{ pour un courant s'éloignant de }N \end{cases} }

Loi des mailles
Dans une maille, la somme algébrique des tensions mesurées en parcourant complètement la maille dans un sens de parcours choisi arbitrairement est nulle.

En cas d'une maille formée de n dipôles :

\boxed{\displaystyle \sum_{k=1}^{n} \epsilon_k \underline{u}_k=0\enskip\enskip \text{ , avec }\enskip\enskip \begin{cases} \epsilon_k=1&\text{ pour }u_k\text{ orientée selon le sens de parcours de la maille } \\  \epsilon_k=-1&\text{ pour }u_k\text{ orientée en sens inverse  } \end{cases} }

2- Loi de Pouillet en notation complexe


Nous généralisons la loi de Pouillet du régime permanent, relative à une maille:

Loi de Pouillet
Dans une maille comportant des générateurs D_k(\underline{e}_k;\underline{Z}_k) et d'autres dipôles passifs d'impédance \underline{Z'}_k , l'expression du courant électrique \underline{i} s'écrit:

\boxed{i=\dfrac{\displaystyle \sum_{k}\epsilon_k \underline{e}_k }{\displaystyle \sum_{k} \underline{Z}_k+ \sum_{k} \underline{Z'}_k }}


Avec: \epsilon_k=\begin{cases} 1 &\text{ ; si }e_k\text{ suit le sens de }i \\-1&\text{ ; si }e_k\text{ et }i \text{ sont de sens contraires} \end{cases}


Exercice
Soit le circuit ci-dessous en régime sinusoïdal forcé.
Régime sinusoïdal forcé d'un circuit R, L, C : image 24


On pose V_A-V_B=u=U_m\cos(\omega t +\varphi)

1) Déterminer U_m \text{ et }\varphi

2) Quel est l'intérêt de ce montage?


Correction
 Cliquez pour afficher

3- Diviseur de tension ou de courant


a- Pont diviseur de tension

Le montage classique suivant conduit à:
Régime sinusoïdal forcé d'un circuit R, L, C : image 25


\underline{u}=(\underline{Z}_1+\underline{Z}_2)\underline{i} \enskip\text{ et }\enskip \underline{u}'=\underline{Z}_2\underline{i}

Conclusion:
\boxed{\underline{u}'=\dfrac{\underline{Z}_2}{\underline{Z}_1+\underline{Z}_2}\underline{u}}


b- Pont diviseur de courant

Les dipôles D_k , d'admittance \underline{Y}_k , disposés en parallèle, sont alimentés par la source libre de courant de c.é.m. \underline{\eta} \text{ : }
Régime sinusoïdal forcé d'un circuit R, L, C : image 40


\underline{i}_k=\underline{Y}_k\underline{u} \enskip\text{ , }\enskip \underline{\eta}=\underline{Y}_{eq}\underline{u}=\displaystyle\sum_{k} \underline{Y}_k \underline{u}
Conclusion:
\boxed{\underline{i}_k=\dfrac{\underline{Y}_k}{\displaystyle \sum_{k} \underline{Y}_k}\underline{\eta}}


Exercice: Générateur de Norton - diviseur de courant
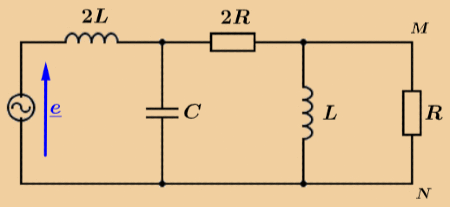
On considère le circuit représenté ci-dessous:
Régime sinusoïdal forcé d'un circuit R, L, C : image 8

Il est alimenté par un générateur de tension sinusoïdale e(t)=E\cos\omega t.

1) Transformer le dipôle PM comprenant le générateur de tension et le condensateur par un générateur de Norton.

2) En déduire la condition pour que le courant dans R soit indépendant de R. Interpréter le résultat.

3) Application numérique: Calculer l'intensité maximale et la phase à l'origine du courant dans R pour E=100V \text{ , } \omega=100\pi

\text{ et }C=0,1\mu F, la condition de 2) étant réalisée.

Correction
 Cliquez pour afficher


4- Potentiel de noeud - théorème de Millman


a- Loi des noeuds en termes de potentiel

Soit le circuit linéaire suivant en régime sinusoïdal:
Régime sinusoïdal forcé d'un circuit R, L, C : image 17


On distingue deux types de branches parvenant au noeud N\text{ : }

Les branches, d'indice j , parcourues par des courants \underline{\eta}_{j} délivrés par des sources libres de courant.
Les branches, d'indice k, d'admittance \underline{Y}_k , d'extrémité A_k telle que: \underline{V}_{A_k}-V_{\text{Masse}}=\underline{u}_k

On note \underline{u}_N le potentiel du noeud N par rapport à la ligne de masse: (\underline{u}_N=\underline{V}_N-V_{\text{Masse}})

La loi des noeuds en N s'écrit:
\displaystyle \sum_{k} \underline{i}_k +\sum_{j} \epsilon_j \underline{\eta}_j = 0 \enskip\text{ avec }\enskip \underline{i}_k=\underline{Y}_k \left(\underline{V}_{A_k}-\underline{V}_N\right) = \underline{Y}_k\left(\underline{u}_k-\underline{u}_N\right)


Loi des noeuds en termes de potentiels

\boxed{\displaystyle\sum_{k} \underline{Y}_k\left(\underline{u}_k-\underline{u}_N\right)+\sum_{j}\epsilon_j \underline{\eta}_j = 0}\enskip\enskip\text{ , avec }\enskip\enskip \epsilon_j=\begin{cases} 1 &\text{ ; si }\eta_j \text{ orienté vers }N \\-1&\text{ ; sinon } \end{cases}

b- Théorème de Millman

Il s'agit d'une variante de la loi des noeuds qui nous fournit le potentiel du noeud N par rapport à la ligne de masse.

Théorème de Millman

\boxed{\underline{u}_N=\dfrac{\displaystyle\sum_{k} \underline{Y}_k\underline{u}_k + \sum_{j} \epsilon_j \eta_j}{\displaystyle\sum_{k} \underline{Y}_k }}\text{ , avec }\enskip\enskip \epsilon_j=\begin{cases} 1 &\text{ ; si }\eta_j \text{ orienté vers }N \\-1&\text{ ; sinon } \end{cases}

Remarque importante: N'oublions pas que si \underline{u}_k=0 pour la branche k\text{ , }\underline{Y}_k n'intervient plus dans le numérateur, mais doit figurer au dénominateur!

Exercice: Recherche d'un courant par le théorème de Millman
Considérons le circuit de la figure ci-dessous, comprenant une source pure de tension de f.é.m. e(t)=e_m\cos \omega t , et une source pure de courant de c.é.m. \eta(t)=\eta_m \cos \omega t.

Régime sinusoïdal forcé d'un circuit R, L, C : image 41

1) Appliquer le théorème de Millman aux noeuds N\text{ et }A du circuit, en notation complexe.

2) En déduire le courant i(t)=I_m\cos (\omega t +\varphi) qui circule dans la résistance R. On suppose que e_m>R_1(1-LC\omega^2)\eta_m


Correction
 Cliquez pour afficher


5- Théorème d'Helmoltz de superposition des états électriques


Nous avons vu que les lois de Kirchhoff du régime permanent se généralisent au régime sinusoïdal forcé en notation complexe (dans le cadre de l'ARQP).

Étant donné que le théorème d'Helmoltz de superposition des états d'un circuit linéaire dans le cas d'un régime permanent, découle des lois de Kirchhoff, on admet qu'on peut généraliser ce théorème en régime sinusoïdal forcé:

Énoncé
En notation complexe, l'état électrique d'un circuit comportant une distribution quelconque de sources indépendantes (tension ou courant) est obtenu en superposant les états associés à chaque source supposée seule dans le circuit:

L'intensité du courant circulant dans une branche est la somme des intensités produites par chaque source supposée seule (on "éteint" les autres sources).

La tension aux bornes d'un dipôle est la somme des tensions produites par chaque source supposée seule.

On rappelle qu'en pratique, on éteint une source indépendante de la manière suivante:

\boxed{\begin{matrix} \bullet & \text{ Source de tension remplacée par un court-circuit (interrupteur fermé)} \\ \bullet & \text{ Source de courant en circuit ouvert (interrupteur ouvert)}\end{matrix}}


Exercice: Superposition d'états
On considère le circuit de la figure suivante:
Régime sinusoïdal forcé d'un circuit R, L, C : image 38

1) Déterminer le courant complexe \underline{i} circulant dans le condensateur par le théorème de superposition.

2) Retrouver le résultat par le théorème de Millman.


Correction:
 Cliquez pour afficher


6- Théorèmes de Thévenin et de Norton


Nous admettons que les théorèmes de Thévenin et de Norton sont généralisables en régime sinusoïdal forcé comme conséquences du principe de superposition des états électriques d'Helmoltz en régime sinusoïdal.

Énoncé: Théorème de Thévenin
Tout réseau électrique dipolaire, vu de deux bornes A\text{ et }B , est équivalent à un générateur de tension (modèle de Thévenin):

De f.é.m. \underline{e}_{th} égale à la tension u=V_A-V_B en circuit ouvert (\underline{i}=0).

D'impédance \underline{Z}_{th} égale à l'impédance équivalente du dipôle entre A\text{ et }B , à sources indépendantes éteintes (les sources de tension sont remplacées par un court-circuit et les sources de courant par un circuit ouvert).


Énoncé: Théorème de Norton
Tout réseau électrique dipolaire, vu de deux bornes A\text{ et }B , est équivalent à un générateur de courant (modèle de Norton):

De c.é.m. \underline{\eta}_{no} égale au courant de court-circuit entre A\text{ et }B.\enskip(\underline{u}=\underline{V}_A-\underline{V}_B=0).

D'admittance \underline{Y}_{no} égale à l'admittance équivalente du réseau entre A\text{ et }B , à sources indépendantes éteintes (les sources de tension sont remplacées par un court-circuit et les sources de courant par un circuit ouvert).


Résultat:
Puisque le modèle de Thévenin et le modèle de Norton sont équivalents, alors:

\boxed{\underline{e}_{th}=\underline{Z}_{th}\text{.}\underline{\eta}_{no}\enskip\text{ et }\enskip \underline{Y}_{no}=\dfrac{1}{\underline{Z}_{th}}}



Exercice: Modélisation de Thévenin et de Norton d'un réseau RLC à trois mailles
On considère le réseau à trois mailes indépendantes, représenté ci-dessous, alimenté par la source de tension alternative de f.é.m. e(t)=E_m\cos\omega t
Régime sinusoïdal forcé d'un circuit R, L, C : image 27

La fréquence du générateur est réglée de façon que L\omega=\dfrac{1}{C\omega}=R

Déterminer l'intensité du courant dans la résistance R\text{ : }

1) Par application du théorème de Thévenin.

2) Par application du théorème de Norton


Correction
 Cliquez pour afficher

V- Résonance d'un circuit R,L,C série

1- Résonance et intensité


a- Intensité efficace du circuit

On applique une tension sinusoidale u(t)=U\sqrt{2}\cos \omega t , de tension efficace U et de pulsation \omega , aux bornes d'un circuit R,L,C série.
Régime sinusoïdal forcé d'un circuit R, L, C : image 1

Signalons qu'un multimètre électronique mesure l'intensité efficace I=\dfrac{I_m}{\sqrt{2}} d'un courant sinusoïdal lorsqu'il fonctionne en ampèremètre et la tension efficace U=\dfrac{U_m}{\sqrt{2}} lorsqu'il fonctionne en voltmètre. La notion de grandeur efficace sera précisée dans le prochain chapitre.

La notation complexe se traduit par:

\underline{u}=U\sqrt{2}e^{j\omega t} \enskip\text{ , }\enskip \underline{i}=I\sqrt{2}e^{j(\omega t + \varphi)} \enskip\text{ , }\enskip \underline{u}=\underline{Z}\text{.}\underline{i} \text{ , avec }\underline{Z}=R+j\left(L\omega-\dfrac{1}{C\omega}\right)

\text{ Soit }Ie^{j\varphi}=\dfrac{U}{R+j\left(L\omega-\dfrac{1}{C\omega}\right)}\text{ , ce qui conduit à:}

\boxed{I(\omega)=\dfrac{U}{\sqrt{R^2+\left(L\omega-\dfrac{1}{C\omega}\right)^2}}\enskip\enskip\text{ et }\enskip\enskip \varphi(\omega)=-\arctan\left(\dfrac{L\omega-\dfrac{1}{C\omega}}{R}\right)}\enskip\enskip (\text{avec }\cos\varphi>0)


En faisant intervenir la pulsation propre \omega_0=\dfrac{1}{\sqrt{LC}} du circuit, le facteur de qualité (dsans dimension) \boxed{Q=\dfrac{L\omega_0}{R}=\dfrac{1}{RC\omega_0}} , et la pulsation réduite (sans dimension) x=\dfrac{\omega}{\omega_0} , nous obtenons:

\boxed{I(x)=\dfrac{U}{R}\dfrac{1}{\sqrt{1+Q^2\left(x-\dfrac{1}{x}\right)^2}}}\enskip\text{ et }\enskip \boxed{\varphi(x)=-\arctan\left[Q\left(x-\dfrac{1}{x}\right)\right]}


b- Résonance

Il se produit le phénomène de résonance en intensité lorsque l'intensité efficace est maximale, ce qui correspond à:

x_r-\dfrac{1}{x_r}=0\Longrightarrow x_r=1 \enskip\text{ ou }\enskip \boxed{ \omega_r=\omega_0 \text{ et }\varphi(x_r)=0}

La pulsation de résonance en intensité est égale à la pulsation propre, et le courant est en phase avec la tension à la résonance, quel que soit le facteur de qualité Q du circuit R,L,C série.



c- Bande passante

L'intensité efficace est maximale à la résonance: \boxed{I_{max}=\dfrac{U}{R}}
On appelle bande passante en pulsation réduite l'intervalle \Delta x=x_2-x_1 pour lequel \boxed{\dfrac{I_{max}}{\sqrt{2}}\leq I(x)\leq I_{max}}
Les valeurs limites x_1\text{ et }x_2 sont définies par:
I(x)=\dfrac{U}{\sqrt{2}R} \Longrightarrow 1+Q^2\left(x-\dfrac{1}{x}\right)^2=2 \text{ , d'où }\enskip x-\dfrac{1}{x}=\pm \dfrac{1}{Q}

Par conséquent, les valeurs cherchées sont les racines positives des équations:

x^2\pm \dfrac{x}{Q}-1=0

Soit:

x_1=-\dfrac{1}{2Q}+\dfrac{1}{2}\sqrt{\dfrac{1}{Q^2}+4}} \enskip\enskip , \enskip\enskip x_2=\dfrac{1}{2Q}+\dfrac{1}{2}\sqrt{\dfrac{1}{Q^2}+4}}

On en déduit:
\boxed{\Delta x=x_2-x_1=\dfrac{1}{Q}} \text{ : Largeur de bande passante}

Avec x=\dfrac{\omega}{\omega_0} \text{ , d'où : }
\boxed{\Delta \omega=\dfrac{\omega_0}{Q}=\dfrac{R}{L}}


La bande passante est d'autant plus étroite que le facteur de qualité est plus élevé.


d- Aspect graphique

Les graphes I(x)\text{ et }\varphi(x) sont représentés ci-dessous, on remarque que:

I\left(\dfrac{1}{x}\right)=I(x)\enskip\enskip\text{ et }\enskip\enskip \varphi\left(\dfrac{1}{x}\right)=-\varphi(x)

Régime sinusoïdal forcé d'un circuit R, L, C : image 2


On peut retrouver les valeurs nulles de I(x) pour x\to 0 \text{ et }x\to\infty par le comportement limite du condensateur ou de la bobine:

\underline{Y}_{C}=jC\omega\to 0\text{ pour }\omega\to 0

\underline{Y}_{L}=\dfrac{1}{jL\omega}\to 0\text{ pour }\omega\to \infty


Sachant que \underline{i}=\underline{Y}_C\underline{u}_C=\underline{Y}_L\underline{u}_L , aux bornes du condensateur ou de la bobine, nous retiendrons que:

Un condensateur se comporte comme un coupe-circuit aux très basses fréquences, et une bobine se comporte comme un coupe-circuit aux fréquences très élevées.


2- Résonance en tension aux bornes du condensateur


a- Tension efficace du condensateur

Le montage d'étude s'obtient en permutant le résistor et le condensateur dans le montage précédent:

Régime sinusoïdal forcé d'un circuit R, L, C : image 13

On note u_C(t)=U_C\sqrt{2}\cos(\omega t +\phi) la tension aux bornes du condensateur de tension efficace U_C et déphasée de \phi par rapport à u(t)=U\sqrt{2}\cos \omega t

En notation complexe, on reconnaît un diviseur de tension tel que:

\underline{u}_C=\dfrac{\underline{Z}_C}{\underline{Z}}\underline{u}=\dfrac{\underline{u}}{jC\omega\left[R+J\left(L\omega-\dfrac{1}{C\omega}\right)\right]}

Soit:
\boxed{U_Ce^{j\phi}=\dfrac{U}{1-LC\omega^2+jRC\omega}}


En faisant appel à \omega_0=\dfrac{1}{\sqrt{LC}} \text{ (pulsation propre)}\text{ , }x=\dfrac{\omega}{\omega_0} \text{ (pulsatin réduite)}\text{ et }Q=\dfrac{L\omega_0}{R}=\dfrac{1}{RC\omega_0} \text{ (facteur de qualité)}.
Il vient:
\boxed{U_C=\dfrac{U}{\sqrt{(1-LC\omega^2)^2+R^2C^2\omega^2}}=\dfrac{U}{\sqrt{(1-x^2)^2+\dfrac{x^2}{Q^2}}}}


b- Résonance en tension

Il existe une résonance en tension (ou surtension) aux bornes du condensateur lorsque la tension efficace U_c , passe par un maximum pour une certaine valeur x_r=\dfrac{\omega_r}{\omega_0} \text{ (pulsation }\omega_r\text{ de résonance)}

La fonction f(x)=(1-x^2)^2+\dfrac{x^2}{Q^2} doit être minimale à la résonance:

\left(\dfrac{\text{d} f}{\text{d} x}\right)_{x_r}=2x_r\left[-2(1-x_r^2)+\dfrac{1}{Q^2}\right]=0


x_r^2=1-\dfrac{1}{2Q^2}>0 , ce qui exige Q>\dfrac{1}{\sqrt{2}}

\boxed{ \begin{matrix} Q>\dfrac{1}{\sqrt{2}} &\Longrightarrow &\omega_r=\omega_0\sqrt{1-\dfrac{1}{2Q^2}} \\ Q<\dfrac{1}{\sqrt{2}} &\Longrightarrow & \text{ absence de résonance} \end{matrix}}


c- Aspect graphique

Les graphes de U_C(x)\text{ et }\phi(x) , de paramètre Q, sont représentés en la figure ci-dessous:

Régime sinusoïdal forcé d'un circuit R, L, C : image 32

Régime sinusoïdal forcé d'un circuit R, L, C : image 44


Remarquons que \phi est défini par \tan\phi=-\dfrac{RC\omega}{1-LC\omega^2}=\dfrac{-x}{Q(1-x^2)} et \cos\phi du signe de 1-x^2.

Soit:
0\geq\phi\geq -\dfrac{\pi}{2}\enskip  \text{ si }\enskip 0\leq x\leq 1 \enskip\enskip\enskip\enskip\text{ et }\enskip\enskip\enskip\enskip -\dfrac{\pi}{2}\geq \phi\geq -\pi \enskip\text{ si }\enskip x\geq 1


On etrouve les valeurs de U_C(x) pour x\to 0\text{ et }\x\to\infty par le comportement limite du condensateur ou de la bobine:

Cas limite \omega\to \infty\text{ : }

\underline{Z}_C=\dfrac{1}{jC\omega}\to 0 \text{ , d'où }\underline{u}_C\to 0\text{ et }U_C\to 0


Cas limite \omega\to 0\text{ : }

\underline{Z}_L=jL\omega\to 0 \text{ , d'où }\underline{u}_L\to 0

Avec: \underline{Y}_C=jC\omega\to 0 \text{ , }\underline{i}\to 0 \text{ , }\underline{u}_R\to 0 \text{ , soit }\underline{u}_C\to\underline{u} \text{ et }U_C\to U .

Un condensateur se comporte comme un court-circuit aux fréquences très élevées, et une bobine se comporte comme un court-ciruit aux très basses fréquences.

Publié le
ceci n'est qu'un extrait
Pour visualiser la totalité des cours vous devez vous inscrire / connecter (GRATUIT)
Inscription Gratuite se connecter
Merci à
Panter
pour avoir contribué à l'élaboration de cette fiche


Mentions légales - Retrouvez cette page sur l'île de la physique - chimie
© digiSchool 2026

Vous devez être membre accéder à ce service...

Pas encore inscrit ?

1 compte par personne, multi-compte interdit !

Ou identifiez-vous :


Rester sur la page

Inscription gratuite

Fiches en rapport

parmi 247 fiches de physique

Désolé, votre version d'Internet Explorer est plus que périmée ! Merci de le mettre à jour ou de télécharger Firefox ou Google Chrome pour utiliser le site. Votre ordinateur vous remerciera !