Fiche de physique - chimie
> >

Théorèmes généraux relatifs aux circuits linéaires

Partager :



Les circuits électriques étudiés dans ce cours vérifient l'approximation des régimes quasi-permanents (ARQP).

I- Généralités

1- Rappels


On rappelle que:

Un circuit électrique est un ensemble de conducteurs et de dipôles actifs et passifs reliés entre eux par des fils de connexion et dans lequel circule un courant électrique.

On appelle point de fonctionnement d'un dipôle tout point appartenant à la caractéristique statique du dipôle.


2- Point de fonctionnement d'un circuit électrique


Définition: Point de fonctionnement d'un circuit
Lorsqu'un générateur débite dans un récepteur, on appelle point de fonctionnement du circuit le point d'intersection des caractéristiques du générateur et du récepteur.

Exemple:
On considère le circuit électrique constitué d'un générateur de Thévenin de f.é.m. E=5V et de résistance interne r=2\Omega, débitant dans un conducteur ohmique de résistance R=3\Omega

Théorèmes généraux relatifs aux circuits linéaires : image 48

Le générateur de Thévenin est modélisé par: u= E-ri\Longrightarrow u=5-2i
Le conducteur Ohmique est modélisé par: u=Ri\Longrightarrow u=3i

On obtient les caractéristiques suivantes:
Théorèmes généraux relatifs aux circuits linéaires : image 65


Le point de fonctionnement du circuit est donc le point d'intersection des deux caractéristiques, soit le point vert de coordonnées: (1;3)

Ce qui veut dire que:
\boxed{u=3V \text{ et }i=1A }

II- Association de dipôles passifs


Parmi ces derniers, les dipôles sont les plus importants. En effet, l'associatrion en série ou en parallèle de dipôles linéaires est un dipôle linéaire.

1- Groupement de résistors et résistance équivalente


a- Groupement série

Disposons n résistors entre A\text{ et }B:

Théorèmes généraux relatifs aux circuits linéaires : image 71


La sommation des tensions u_k à intensité constante i, conduit à :\enskip\enskip(k\in\lbrace 1;\cdots, n\rbrace)

u=\displaystyle\sum_{k=1}^{n} u_k=\displaystyle \sum_{k=1}^n R_k i =\left(\displaystyle \sum_{k=1}^n R_k\right)i=R_{eq} i


L'association série de n conducteurs ohmiques de résistances R_k est équivalente à un conducteur ohmique unique de résistance \boxed{R_{eq}=\displaystyle \sum_{k=1}^n R_k}



b- Groupement parallèle

Soient n résistors de résistances R_1,\cdots , R_k,\cdots, R_n alimentés par la même tension u, sont placés en parallèle:

Théorèmes généraux relatifs aux circuits linéaires : image 77


En employant la loi des noeuds au point A et en utilisant la conductance  G_k=\dfrac{1}{R_k} des résistors:

i=\displaystyle \sum_{k=1}^n i_k=\displaystyle \sum_{k=1}^n G_ku =\left(\displaystyle \sum_{k=1}^n G_k\right)u=G_{eq} u


Ainsi:

L'association parallèle de n conducteurs ohmiques de conductances G_k (et de résistances R_k) est équivalent à un conducteur ohmique unique de conductance:

\boxed{G_{eq}=\displaystyle \sum_{k=1}^n G_k} \text{ , ou encore } \boxed{\dfrac{1}{R_{eq}}=\displaystyle \sum_{k=1}^n\dfrac{1}{R_k}}


Application: Le shunt

Le shunt est une résistance de faible valeur r que l'on monte en parallèle avec une résistance R tel que r<<R

Théorèmes généraux relatifs aux circuits linéaires : image 79


La condition r<<R se traduit par:

i=G_{eq}u=\left(\dfrac{1}{R}+\dfrac{1}{r}\right)u \approx \dfrac{u}{r} = i_r\enskip\enskip \text{ ; }\enskip\enskip i_R=\dfrac{u}{R}=\dfrac{r}{R}i_r\approx \dfrac{r}{R}i<<i


Le shunt sert en pratique à protéger un appareil électrique en limitant l'intensité à la valeur maximale supportée par ce dernier.

c- Exercice d'application

Exercice
Déterminer la résistance équivalente R_{eq} entre les points A\text{ et }B du groupement de résistances identiques R représenté ci-dessous:

Théorèmes généraux relatifs aux circuits linéaires : image 63

Solution:

La branche avec les 3 résistances en série est équivalente à un résistor de résistance 3R

Théorèmes généraux relatifs aux circuits linéaires : image 50


On obtient alors entre A\text{ et }B\text{ : }

Théorèmes généraux relatifs aux circuits linéaires : image 42


Ensuite, la branche constituée des deux résistances R\text{ et }3R en parallèle est équivalente à:

\dfrac{1}{\dfrac{1}{3R}+\dfrac{1}{R}}=\dfrac{1}{\dfrac{4}{3R}}=\dfrac{3}{4}R


D'où:

Théorèmes généraux relatifs aux circuits linéaires : image 52


La branche constituée des trois résistances en série R \text{ , }\dfrac{3}{4}R\text{ et }R est équivalente à:

2R+\dfrac{3}{4}R=\dfrac{8+3}{4}R=\dfrac{11}{4}R


Le groupement de résistances entre les points A\text{ et }B est équivalent à une branche constituée des deux résistances R\text{ et }\dfrac{11}{4}R montées en parallèle, qui, à son tour, est équivalent à:

R_{eq}=\dfrac{1}{\dfrac{1}{R}+\dfrac{4}{11 R}}=\dfrac{1}{\dfrac{15}{11R}}\Longrightarrow \boxed{R_{eq} = \dfrac{11}{15}R \text{ , entre }A\text{ et }B }

2- Groupement de condensateurs idéaux et capacité équivalente


a- Groupement série

Les n condensateurs disposées en série entre A\text{ et }B sont traversées par le même courant électrique i:

Théorèmes généraux relatifs aux circuits linéaires : image 47


On a:
\forall k\in \lbrace 1;\cdots, n\rbrace\text{ : }i=C_k\dfrac{\text{d}u_k}{\text{d}t}\Longrightarrow \dfrac{\text{d}u_k}{\text{d}t}=\dfrac{i}{C_k}


Sachant que:
u=\displaystyle\sum_{k=1}^{n}u_k\enskip\enskip \text{ et donc }\enskip\enskip  \dfrac{\text{d}u}{\text{d}t}= \dfrac{\text{d}}{\text{d}t} \left(\displaystyle\sum_{k=1}^{n}u_k\right)= \displaystyle\sum_{k=1}^{n}\dfrac{\text{d}u_k}{\text{d}t}


Nous obtenons:
\dfrac{\text{d}u}{\text{d}t}=\displaystyle\sum_{k=1}^{n} \dfrac{i}{C_k}=i\displaystyle\sum_{k=1}^{n} \dfrac{1}{C_k}= \dfrac{i}{C_{eq}}


Le groupement série de n condensateurs de capacités C_k peut être remplacé par un condensateur unique de capacité équivalente C_{eq} telle que: \boxed{\dfrac{1}{C_{eq}}=\displaystyle\sum_{k=1}^{n} \dfrac{1}{C_k}}



b- Groupement parallèle

Les n condensateurs sont disposées en parallèle entre A\text{ et }B , ils ont la même tension u entre leurs bornes :

Théorèmes généraux relatifs aux circuits linéaires : image 41


On somme les courants (loi des noeuds):

i=\displaystyle \sum_{k=1}^{n}i_k=\displaystyle \sum_{k=1}^{n}\left(C_k \dfrac{\text{d}u}{\text{d}t}\right)=\left(\displaystyle \sum_{k=1}^{n} C_k\right)\dfrac{\text{d}u}{\text{d}t} =C_{eq}\dfrac{\text{d}u}{\text{d}t}


Le groupement parallèle de n condensateurs de capacités C_k peut être remplacé par un condensateur unique de capacité équivalente C_{eq} telle que: \boxed{C_{eq}=\displaystyle\sum_{k=1}^{n}C_k}


3- Groupement de bobines idéales et inductance équivalente


a- Groupement série

Disposons n bobines en série entre A\text{ et }B, elles sont traversées par le même courant électrique i:

Théorèmes généraux relatifs aux circuits linéaires : image 56


On a:

u=\displaystyle\sum_{k=1}^{n} u_k=\displaystyle \sum_{k=1}^n \left(L_k \dfrac{\text{d}i}{\text{d}t}\right) =\left(\displaystyle \sum_{k=1}^{n} L_k\right)\dfrac{\text{d}i}{\text{d}t} =L_{eq}\dfrac{\text{d}i}{\text{d}t}


L'association série de n bobines d'inductances L_k est équivalente à une bobine unique d'inductance \boxed{L_{eq}=\displaystyle \sum_{k=1}^n L_k}



b- Groupement parallèle

Disposons à présent n bobines en parallèle entre A\text{ et }B, elles ont la même tension u entre leurs bornes:

Théorèmes généraux relatifs aux circuits linéaires : image 54


On a:

i=\displaystyle \sum_{k=1}^n i_k\enskip \enskip\Longrightarrow \enskip\enskip \dfrac{\text{d}i}{\text{d}t} =\displaystyle \sum_{k=1}^n \left( \dfrac{\text{d}i_k}{\text{d}t}\right)=\displaystyle \sum_{k=1}^n \left( \dfrac{u}{L_k}\right)=\displaystyle \left(\sum_{k=1}^n  \dfrac{1}{L_k}\right)u=\dfrac{1}{L_{eq}} u


L'association parallèle de n bobines d'inductances L_k est équivalente à une bobine unique d'inductance L_{eq} telle que \boxed{\dfrac{1}{L_{eq}}=\displaystyle \sum_{k=1}^n\dfrac{1}{L_k}}

Remarque:
Signalons l'analogie formelle entre inductance équivalente et résistance équivalente.


II- Diviseur de tension - Diviseur de courant

1- Diviseur de tension


Considérons la structure de base suivante constituée de deux résistors R_1\text{ et }R_2 en série:

Théorèmes généraux relatifs aux circuits linéaires : image 39

On peut prélever les tensions  u_1\text{ et }u_2 : }

On a:
u_1=R_1 i \enskip\text{ ; }\enskip u_2=R_2 i \enskip\text{  et }\enskip u=(R_1+R_2)i

On obtient:

\boxed{u_1=\dfrac{R_1}{R_1+R_2} u \enskip\text{ et }\enskip u_2=\dfrac{R_2}{R_1+R_2}u}

Les tensions u_1\text{ et }u_2 sont des fractions de la tension totale u, ce qui explique la dénomination "diviseur de tension" donnée à ce circuit.


Généralisation à N résistors en série:
Pour N résistors en série soumis à une tension totale u, la tension u_k aux bornes du k-ième résistor de résistance R_k est:

\boxed{u_k=\dfrac{R_k}{\displaystyle\sum_{i=1}^{N}R_i} u}

Remarque importante:

Il faut faire attention à appliquer correctement la formule du diviseur de tension , notamment lorsqu'il s'agit d'un diviseur de tension dit chargé, c'est un circuit similaire au précédent mais avec un troisième résistor dit de charge monté en parallèle avec l'un des résistors de circuit.

Théorèmes généraux relatifs aux circuits linéaires : image 57


Puisque les résistors R_1\text{ et }R_2 ne sont plus en série dans ce cas, il faut tout d'abord remplacer R_2 \text{ et }R_c par leur résistance équivalente R_{eq} avant d'appliquer la formule, on trouve:

R_{eq}=\dfrac{R_2R_c}{R_2+R_c} \enskip \text{ , et donc : }\enskip u_2=\dfrac{R_{eq}}{R_{eq}+R_1}u=\dfrac{R_2 R_c}{R_2R_c+R_1(R_2+R_c)}u=\dfrac{R_2R_c}{R_1R_2+R_1R_c+R_2R_c}u

2- Diviseur de courant


Soient deux conducteurs ohmiques de résistances R_1\text{ et }R_2 disposés en parallèle:

Théorèmes généraux relatifs aux circuits linéaires : image 46


En utilisant les conductances G_1\text{ et }G_2 , on peut écrire les relations suivantes:

i_1=G_1 u \enskip\text{ , }\enskip i_2=G_2 u \enskip\text{ et }\enskip i=(G_1+G_2)u

On obtient:

\boxed{i_1=\dfrac{G_1}{G_1+G_2} i \enskip\text{ et }\enskip i_2=\dfrac{G_2}{G_1+G_2}i}

Les courants i_1\text{ et }i_2 sont des fractions du courant total i, ce qui explique la dénomination "diviseur de courant" donnée à ce circuit.


Généralisation à N résistors en parallèle:
Pour N résistors en parallèle soumis à l'intensité totale i, l'intensité de courant i_k dans le k-ième résistor de résistance R_k et de conductance G_k=\dfrac{1}{R_k} est:

\boxed{i_k=\dfrac{G_k}{\displaystyle\sum_{i=1}^{N}G_i} i}

Remarque importante:

Il faut faire attention à appliquer correctement la formule du diviseur de courant, notamment quand on a des associations de résistors en série dans le circuit.


III- Groupement de générateurs

1- Groupement série - modèle de Thévenin


Rappel:

Le modèle de Thévenin et le modèle de Norton sont équivalents, ce qui veut dire qu'on peut remplacer un générateur de courant (c.é.m. \eta et résistance r en parallèle) par un générateur de tension équivalent (f.é.m e=r\eta et résistance r en série), et vice versa.

On peut remplacer un groupement série de générateurs par un générateur équivalent en faisant intervenir la modélisation de Thévenin:

Groupement série - générateur équivalent
Soient N générateurs de Thévenin de f.é.m. e_1;\cdots; e_N et de résistances internes r_1;\cdots; r_N montés en série et soumis à un courant d'intensité i. Ce groupement est équivalent à un générateur de Thévenin de f.é.m. e_{eq}=\displaystyle \sum_{k=1}^N \epsilon_k e_k et de résistance interne r_{eq}=\displaystyle \sum_{k=1}^N r_k.

Avec: \epsilon_k=\begin{cases} 1 &\text{ ; si }e_k\text{ suit le sens de }i \\-1&\text{ ; si }e_k\text{ et }i \text{ sont de sens contraires} \end{cases}

Exemples:

1)Considérons le groupement de générateurs suivant:

Théorèmes généraux relatifs aux circuits linéaires : image 73


Ce groupement est équivalent à un générateur de Thévenin e_{eq}=e_2-e_1 \text{ et }r_{eq}=r_1+r_2 \text{ : }

Théorèmes généraux relatifs aux circuits linéaires : image 68



2) Soit le groupement de générateurs suivant:

Théorèmes généraux relatifs aux circuits linéaires : image 67


On transforme le générateur de Norton en un générateur de Thévenin, on obtient le groupement équivalent suivant:

Théorèmes généraux relatifs aux circuits linéaires : image 74


Ce groupement est équivalent au générateur de tension e_{eq}=e_1+r_2\eta_2 \text{ et }r_{eq}=r_1+r_2 \text{ : }

Théorèmes généraux relatifs aux circuits linéaires : image 38

2- Groupement parallèle - modèle de Norton


On peut remplacer un groupement parallèle de générateurs par un générateur équivalent en faisant intervenir la modélisation de Norton:

Groupement parallèle - générateur équivalent
Soient N générateurs de Norton de c.é.m. \eta_1;\cdots;\eta_N et de conductances internes g_1;\cdots; g_N montés en parallèle et soumis à une tension i. Ce groupement est équivalent à un générateur de Norton de c.é.m. \eta_{eq}=\displaystyle \sum_{k=1}^N \epsilon_k \eta_k et de conductance interne g_{eq}=\displaystyle \sum_{k=1}^N g_k.

Avec: \epsilon_k=\begin{cases} 1 &\text{ ; si }\eta_k\text{ suit le sens de }u \\-1&\text{ ; si }\eta_k\text{ et }i \text{ sont de sens contraires} \end{cases}

Exemple:

On considère le groupement de générateurs de Norton suivant:

Théorèmes généraux relatifs aux circuits linéaires : image 55


Ce groupement est équivalent à un générateur de Norton \eta_{eq}=\eta_2-\eta_1 \text{ et }g_{eq}=g_1+g_2=\dfrac{1}{r_1}+\dfrac{1}{r_2}=\dfrac{r_1+r_2}{r_1r_2} \enskip\left( r_{eq}=\dfrac{1}{g_{eq}}=\dfrac{r_1r_2}{r_1+r_2}\right)\text{ : }

Théorèmes généraux relatifs aux circuits linéaires : image 40


3- Exercice d'application


Exercice: Modélisation d'un groupement mixte
Déterminer les paramètres du dipôle équivalent au groupement de générateurs entre les bornes A\text{ et }B:

Théorèmes généraux relatifs aux circuits linéaires : image 76

Solution:

Nous procédons en deux étapes:

Établir un générateur équivalent entre A\text{ et }C\text{  : }

Les générateurs étant montés en parallèle, on utilise des générateurs de Norton:

Théorèmes généraux relatifs aux circuits linéaires : image 72


Établir un générateur équivalent entre A\text{ et }B\text{ : }

Il s'agit d'un groupement série, donc nous utilisons le modèle de Thévenin:

Théorèmes généraux relatifs aux circuits linéaires : image 59

IV- Association de dipôles actifs et passifs linéaires

Rappelons qu'en régime permanent, un condensateur idéal est assimilé à un coupe-circuit (interrupteur ouvert), et une bobine idéale à un court-circuit (interrupteur fermé). Ils ne présentent donc que peu d'interêt. Nous nous limitons par la suite aux résistors et aux générateurs de courant et de tension.

1- Loi de Pouillet


Considérons le circuit électrique suivant, il s'agit d'une maille comportant deux générateurs de tension (modèle de Thévenin) (e_1;r_1)\text{ et }(e_2;r_2) et d'un résistor de résistance R.

Théorèmes généraux relatifs aux circuits linéaires : image 64


Exprimons le courant électrique i\text{ : }

D'après la loi des mailles:

u+r_2i+e_2+r_1i-e_1=0 \enskip \text{ , donc } u=(e_1-e_2)-(r_1+r_2)i\text{ , il s'ensuit que }Ri=(e_1-e_2)-(r_1+r_2)i

D'où:

\boxed{i=\dfrac{e_1-e_2}{r_1+r_2+R}}


Plus généralement:

Loi de Pouillet
Dans une maille comportant des générateurs D_k(e_k;r_k) et d'autres résistors de résistance équivalente R , l'expression du courant électrique i s'écrit:

\boxed{i=\dfrac{\displaystyle \sum_{k}\epsilon_k e_k }{R+\displaystyle \sum_{k} r_k }}


Avec: \epsilon_k=\begin{cases} 1 &\text{ ; si }e_k\text{ suit le sens de }u \\-1&\text{ ; si }e_k\text{ et }i \text{ sont de sens contraires} \end{cases}

2- Théorème de Millman


a- Loi des noeuds en termes de potentiels

On dispose respectivement entre les points A_1 \text{ , }A_2\text{ et }A_3 et le noeud N du circuit représenté ci-dessous un générateur de tension  (e_1,r_1)\text{ , }un générateur de courant (\eta_2,r_2) et un résistor (r_3):

Théorèmes généraux relatifs aux circuits linéaires : image 49


Notons V_k le potentiel en A_k et V_N le potentiel en N.

Cherchons les expressions des courant i_1\text{ ; }i_2\text{ et }i_3\text{ : }

\begin{cases} \bullet & V_1-V_N=r_1i_1-e_1 \\ \bullet & i_2=\eta_2+g_2(V_2-V_N) \\ \bullet & V_3-V_N=r_3i_3 \end{cases}\enskip\enskip\text{ , d'où } \enskip\enskip  \begin{cases} \bullet & i_1=g_1(e_1+V_1-V_N) \\ \bullet & i_2=\eta_2+g_2(V_2-V_N) \\ \bullet & i_3=g_3(V_3-V_N) \end{cases}


On rappelle que g_k=\dfrac{1}{r_k} .

La loi des noeuds, en N, s'écrit:

i_1+i_2+i_3=0 \Longrightarrow \boxed{g_1(V_1-V_N)+g_2(V_2-V_N)+g_3(V_3-V_N)+g_1e_1+\eta_2=0}


Généralisation:

Loi des noeuds en termes de potentiels
Soient n branches parvenant en un noeud N et comportant éventuellement des sources indépendantes de tension (f.é.m. e_k) ou de courant (c.é.m. \eta_k).

On a:
\boxed{\displaystyle\sum_{k} g_k\left[\left(V_k-V_N\right)+\epsilon_k e_k\right]+\sum_{k} \epsilon_k \eta_k=0}


Avec: \epsilon_k=\begin{cases} 1 &\text{ ; si }e_k\text{ ou }\eta_k \text{ orienté vers }N \\-1&\text{ ; sinon } \end{cases}

Exercice d'application:

Exercice
On considère le circuit ci-dessous:
Théorèmes généraux relatifs aux circuits linéaires : image 44


Le noeud B est connecté à la masse du circuit.

1)Déterminer les relations entre V_A\text{ , }V_C\text{ et }V_D en appliquant la loi des noeuds en termes de potentiels aux noeuds A\text{ , }C\text{ et }D.

On donne:

r_1=r_6=20\Omega\enskip\text{ , }\enskip r_2=r_3=4\Omega\enskip \text{ , }\enskip r_4=2\Omega\enskip \text{ et }\enskip r_5=3\Omega

e_1=6V\enskip \text{ , }\enskip e_2=8V\enskip \text{ et }\enskip e_3=2V

 \eta=15A

2) Un voltmètre numérique branché entre B\text{ et }D, mesure u_{DB}=10V. En déduire les valeurs de V_A\text{ et }V_C.


1) Appliquons la loi des noeuds en termes de potentiels:

 \text{ en A: } \enskip\enskip\enskip\enskip \dfrac{1}{r_1}(V_D-V_A)-\dfrac{e_1}{r_1}\enskip +\enskip \eta+\dfrac{1}{r_4}(V_B-V_A) \enskip+\enskip \dfrac{1}{r_5}(V_C-V_A)  \enskip = \enskip 0

Application numérique: \boxed{\dfrac{1}{20}(V_D-V_A)-\dfrac{3}{10}\enskip +\enskip 15-\dfrac{1}{2} V_A \enskip+\enskip \dfrac{1}{3}(V_C-V_A)  \enskip = \enskip 0}

 \text{ en C: } \enskip\enskip\enskip\enskip \dfrac{1}{r_5}(V_A-V_C)+\dfrac{e_2}{r_6}+\dfrac{1}{r_6}(V_B-V_C)\enskip +\enskip \dfrac{e_3}{r_3}+ \dfrac{1}{r_3}(V_D-V_C)\enskip = \enskip 0

Application numérique: \boxed{\dfrac{1}{3}(V_A-V_C)+\dfrac{2}{5}-\dfrac{1}{20}V_C\enskip +\enskip \dfrac{1}{2}+ \dfrac{1}{4}(V_D-V_C)\enskip = \enskip 0}

 \text{ en D: } \enskip\enskip\enskip\enskip \dfrac{1}{r_1}(V_A-V_D)+\dfrac{e_1}{r_1}\enskip +\enskip  \dfrac{1}{r_2}(V_B-V_D) \enskip +\enskip \dfrac{1}{r_3}(V_C-V_D)- \dfrac{e_3}{r_3} \enskip = \enskip 0

Application numérique: \boxed{ \dfrac{1}{20}(V_A-V_D)+\dfrac{3}{10}\enskip -\enskip  \dfrac{1}{4}V_D \enskip +\enskip \dfrac{1}{4}(V_C-V_D)- \dfrac{1}{2} \enskip = \enskip 0 }

2) On a u_{DB}=V_D-V_B=V_D \Longrightarrow V_D=10V

En remplaçant V_D par sa valeur numérique, on obtient:

\begin{matrix} \begin{cases} \dfrac{1}{20}(V_D-V_A)-\dfrac{3}{10}+ 15-\dfrac{1}{2} V_A + \dfrac{1}{3}(V_C-V_A)  = 0 \\ \\ \dfrac{1}{3}(V_A-V_C)+\dfrac{2}{5}-\dfrac{1}{20}V_C+\dfrac{1}{2}+ \dfrac{1}{4}(V_D-V_C)=0 \\ \\  \dfrac{1}{20}(V_A-V_D)+\dfrac{3}{10}-\dfrac{1}{4}V_D +\dfrac{1}{4}(V_C-V_D)- \dfrac{1}{2} = 0 \end{cases}  &\iff&  \begin{cases} \dfrac{1}{2}-\dfrac{1}{20}V_A-\dfrac{3}{10}+ 15-\dfrac{1}{2} V_A + \dfrac{1}{3}(V_C-V_A)  = 0 \\ \\ \dfrac{1}{3}(V_A-V_C)+\dfrac{2}{5}-\dfrac{1}{20}V_C+\dfrac{1}{2} +\dfrac{5}{2}-\dfrac{1}{4}V_C=0 \\ \\  \dfrac{1}{20}V_A-\dfrac{1}{2}+\dfrac{3}{10}-\dfrac{5}{2} +\dfrac{1}{4}V_C-\dfrac{5}{2}- \dfrac{1}{2} = 0 \end{cases}   \\\\&\iff& \begin{cases} \dfrac{1}{3}V_A-\dfrac{38}{60}V_C+\dfrac{17}{5}=0 \\\\ -\dfrac{53}{60}V_A+\dfrac{1}{4}V_C-\dfrac{57}{10}=-\dfrac{152}{10} \\\\ \dfrac{1}{20}V_A+\dfrac{1}{4}V_C-\dfrac{57}{10}=0 \end{cases} \\\\ &\iff&  \begin{cases} 20V_A-38V_C=-204 \\ -53V_A+20V_C=-912 \\ V_A+5V_C=114 \end{cases}    \end{matrix}

 \text{ En utilisant le système d'équations } (1)\text{ et }(3)   \text{ , on trouve: }\boxed{\begin{matrix} V_A=24V  &;&  V_C=18V \end{matrix}}

Vérification: -53V_A+20V_C= -53\times 24 + 20\times 18 = -912


b- Le théorème de Millman

Il s'agit d'une variante de la loi des noeuds en termes de potentiels où l'on exprime le potentiel du noeud en question.

Théorème de Millman
Soient n branches parvenant en un noeud N et comportant éventuellement des résistors de résistances r_k (et donc de conductances g_k=1/r_k), et des sources indépendantes de tension (f.é.m. e_k) ou de courant (c.é.m. \eta_k).

On a:
\boxed{V_N=\dfrac{\displaystyle\sum_{k} g_k\left(V_k+\epsilon_k e_k\right)+\sum_{k} \epsilon_k \eta_k}{\displaystyle\sum_{k} g_k }}


Avec: \epsilon_k=\begin{cases} 1 &\text{ ; si }e_k\text{ ou }\eta_k \text{ orienté vers }N \\-1&\text{ ; sinon } \end{cases}


Le théorème de Millman est particulièrement utilisé dans un circuit à deux noeuds indépendants comportant n branches en parallèle, en effet:

Théorèmes généraux relatifs aux circuits linéaires : image 70


On a \forall k\text{ : }V_k=V_M \text{ , donc: }

V_N=\dfrac{\displaystyle\sum_{k} g_k\left(V_k+\epsilon_k e_k\right)+\sum_{k} \epsilon_k \eta_k}{\displaystyle\sum_{k} g_k }\Longrightarrow V_N=\dfrac{\displaystyle\sum_{k} g_kV_k+\displaystyle\sum_{k}g_k\epsilon_k e_k+\sum_{k} \epsilon_k \eta_k}{\displaystyle\sum_{k} g_k }


D'où :
 V_N=\dfrac{\displaystyle V_M\sum_{k} g_k+\displaystyle\sum_{k}g_k\epsilon_k e_k+\sum_{k} \epsilon_k \eta_k}{\displaystyle\sum_{k} g_k }


Ou encore:
\boxed{\text{ La forme pratique simplifiée du théorème de Millman: }\boxed{V_N-V_M= \dfrac{\displaystyle\sum_{k}g_k\epsilon_k e_k+\sum_{k} \epsilon_k \eta_k}{\displaystyle\sum_{k} g_k }}}


Avec toujours: \epsilon_k=\begin{cases} 1 &\text{ ; si }e_k\text{ ou }\eta_k \text{ orienté vers }N \\-1&\text{ ; sinon } \end{cases}

Exercice d'application
Exprimer la tension u aux bornes de la charge R_4 en fonction des composants du circuit suivant:

Théorèmes généraux relatifs aux circuits linéaires : image 43

Appliquons le théorème de Millman précédemment démontré:

\boxed{u=V_N-V_M=\dfrac{\dfrac{e_1}{2R_1}-\dfrac{e_2}{R_2}+\eta }{\dfrac{1}{2R_1}+\dfrac{1}{R_2}+\dfrac{1}{R_3}+\dfrac{1}{R_4}}}

V- Théorème d'Helmoltz de superposition des états électriques


Nous admettons le théorème d'Helmoltz de superposition des états électriques comme conséquence de la linéarité des équations des lois de Kirchoff:

Énoncé
L'état électrique d'un circuit linéaire comportant une distribution uelconque de sources indépendantes (tension ou courant) est obtenu en superposant les états associés à chaque source supposée seule dans le circuit:

L'intensité du courant circulant dans une branche est la somme des intensités produites par chaque source supposée seule (on "éteint" les autres sources).

La tension aux bornes d'un dipôle est la somme des tensions produites par chaque source supposée seule.

En pratique, on éteint une source indépendante de a manière suivante:

\boxed{\begin{matrix} \bullet & \text{ Source de tension remplacée par un court-circuit (interrupteur fermé)} \\ \bullet & \text{ Source de courant en circuit ouvert (interrupteur ouvert)}\end{matrix}}


Exercice d'application
Exprimer l'intensité i du courant circulant dans la résistance R en superposant deux états électriques du circuit

Théorèmes généraux relatifs aux circuits linéaires : image 51


On éteint la source (e_1)\text{ , et on note }i_1\text{ le courant circulant dans le résistor }R\text{ : }

On obtient le circuit suivant:

Théorèmes généraux relatifs aux circuits linéaires : image 69


On applique le diviseur de courant:
\boxed{i_1=\dfrac{G}{g_1+g_2+G}\eta_2}\enskip\enskip\text{ , avec }G=\dfrac{1}{R}\text{ et }g_k=\dfrac{1}{r_k}


On éteint la source de courant (\eta_2)\text{ , et on note }i_2\text{ le courant circulant dans le résistor }R\text{ : }

On obtient le circuit suivant, et on se ramène au cas précédent en utilisant le modèle de Norton de la source de tension (e_1;r_1)\text{ : }

Théorèmes généraux relatifs aux circuits linéaires : image 61


On applique le diviseur de courant:
i_2=\dfrac{G}{g_1+g_2+G}\eta_1\Longrightarrow \boxed{i_2=\dfrac{G}{g_1+g_2+G}\text{ . }\dfrac{e_1}{r_1}}\enskip\enskip\text{ , avec }G=\dfrac{1}{R}\text{ et }g_k=\dfrac{1}{r_k}


En définitive:

i=i_1+i_2\Longrightarrow i=\dfrac{G}{g_1+g_2+G}\left(\eta_2+\dfrac{e_1}{r_1}\right)


Après simplification:
\boxed{i=\dfrac{e_1+r_1\eta_2}{r_1+R+\dfrac{r_1}{r_2}R}}


Question supplémentaire: Retrouver directement le résultat en utilisant le théorème de Millman.

VI- Théorèmes de Thévenin et de Norton

Nous admettons les théorèmes de Thévenin et de Norton comme conséquences du principe de superposition des états électriques d'Helmoltz.

1- Théorème de Thévenin


Énoncé du théorème de Thévenin
Tout réseau électrique linéaire, vu de deux bornes A\text{ et }B , est équivalent à un générateur de tension (modèle de Thévenin):

De f.é.m. e_{th} égale à la tension u=V_A-V_B en circuit ouvert (i=0).

De résistance interne r_{th} égale à la résistance équivalente du réseau entre A\text{ et }B , à sources indépendantes éteintes (les sources de tension sont remplacées par un court-circuit et les sources de courant par un circuit ouvert).

Théorèmes généraux relatifs aux circuits linéaires : image 58
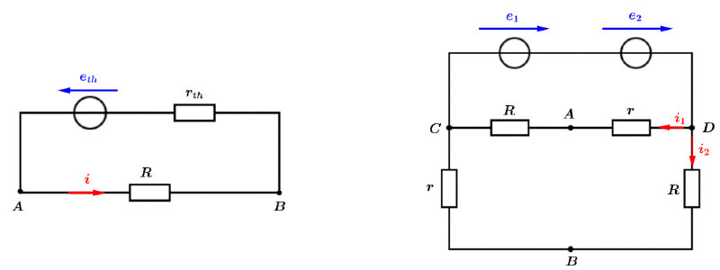
Exemple:

On dispose de deux générateurs de tension de f.é.m. e_1\text{ et }e_2 et de résistance interne négligeable, de deux résistors de résistance r \text{ , et } de trois résistors de résistance R. On réalise avec ces éléments le montage suivant:

Théorèmes généraux relatifs aux circuits linéaires : image 78

Utilisons le théorème de Thévenin pour déterminer le courant i circulant da le résistor R entre les bornes A\text{ et }B:

Le générateur de tension du circuit équivalent de Thévenin du montage est caractérisé par:

Sa f.é.m. :
e_{th}=(V_A-V_B)_{i=0} = (V_A-V_C)+(V_C-V_B)=Ri_1-ri_2


Théorèmes généraux relatifs aux circuits linéaires : image 45


Avec:
i_1=i_2= \dfrac{e_1+e_2}{r+R}


Donc:
\boxed{e_{th}=\dfrac{(e_1+e_2)(R-r)}{R+r}}


Sa résistance interne:
r_{th}=(R_{AB})_{e_1=e_2=0}


Théorèmes généraux relatifs aux circuits linéaires : image 66


On obtient:
\boxed{r_{th}=\dfrac{2rR}{r+R}}


On en déduit l'intensité cherchée, en utilisant la loi de Pouillet:

i=\dfrac{e_{th}}{r_{th}+R}=\dfrac{(e_1+e_2)(R-r)}{R+r}\times \dfrac{1}{\dfrac{2rR}{r+R}+R}\Longrightarrow \boxed{i=\dfrac{(e_1+e_2)(R-r)}{R(R+3r)}}


2- Théorème de Norton


Énoncé du théorème de Norton
Tout réseau électrique linéaire, vu de deux bornes A\text{ et }B , est équivalent à un générateur de courant (modèle de Norton):

De c.é.m. \eta_{no} égale au courant de court-circuit entre A\text{ et }B.\enskip(u=0).

De conductance interne g_{no} égale à la conductance équivalente du réseau entre A\text{ et }B , à sources indépendantes éteintes (les sources de tension sont remplacées par un court-circuit et les sources de courant par un circuit ouvert).

Théorèmes généraux relatifs aux circuits linéaires : image 75

Résultat:
Puisque le modèle de Thévenin et le modèle de Norton sont équivalents, alors:

\boxed{e_{th}=r_{th}\text{.}\eta_{no}\enskip\text{ et }\enskip g_{no}=\dfrac{1}{r_{th}}}

Publié le
ceci n'est qu'un extrait
Pour visualiser la totalité des cours vous devez vous inscrire / connecter (GRATUIT)
Inscription Gratuite se connecter
Merci à
Panter
pour avoir contribué à l'élaboration de cette fiche


Mentions légales - Retrouvez cette page sur l'île de la physique - chimie
© digiSchool 2026

Vous devez être membre accéder à ce service...

Pas encore inscrit ?

1 compte par personne, multi-compte interdit !

Ou identifiez-vous :


Rester sur la page

Inscription gratuite

Fiches en rapport

parmi 247 fiches de physique

Désolé, votre version d'Internet Explorer est plus que périmée ! Merci de le mettre à jour ou de télécharger Firefox ou Google Chrome pour utiliser le site. Votre ordinateur vous remerciera !