bonjour,on me demande de représenter toutes les forces avec leur couleur dans ce schéma de palan;mais j'ai un doute sur la réponse surtout au niveau du point d'accroche,merci de me confirmer
édit Océane : niveau renseigné
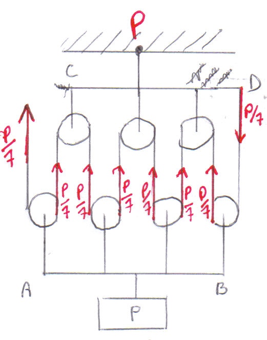
Bonjour,
Le poids : P
Entre AB et les quatre poulies inférieures : 4 fois P/4
La corde : partout P/8
Au-dessus des trois poulies supérieures : 3 fois P/4
Au point D : P/8
Au-dessus de la barre CD : (7 * P)/8

bonjour coll,d'aprés vos explications j'ai refait le schéma merci encore et bonne soirée
On pourrait discuter du sens donné aux différentes flèches qui représentent les vecteurs forces. Mais il faudrait pour cela du texte explicatif ; c'est la difficulté avec la loi de l'action et de la réaction : tout est en équilibre et donc à chaque force s'oppose une autre force égale et opposée.
C'est aussi ce qui se passe toujours avec la tension d'une corde : on peut adopter un point de vue ou le point de vue opposé.
Les "normes" sont bonnes...

Vous devez être membre accéder à ce service...
Pas encore inscrit ?
1 compte par personne, multi-compte interdit !
Ou identifiez-vous :