Bonsoir,
Besoin d'aide pour traiter cette situation-problème :
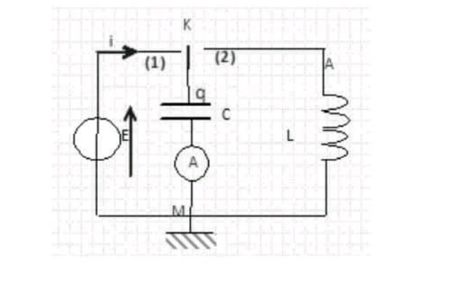
Mr Nelson souhaite mener une expérience pour son mémoire d'ingénieur. Il aimerait déterminer le pourcentage d'humidité relative P de l'air contenu dans le milieu de l'expérience. Il s'agit du rapport de la vapeur d'eau contenu dans un certain volume d'air. Il utilise à cet effet une sonde d'humidité dont le capteur est constitué d'un condensateur plan dont la capacité C varie en fonction de ce pourcentage d'humidité relative P: C=aP+b). La modélisation de cette sonde est réalisée par le circuit ci-dessous. Pour atteindre son objectif il procède comme suite:
-Etape1: Il positionne l'interrupteur K en 1 pendant un temps nécessaire à la charge complète du condensateur ;
-Etape2: Il bascule l'interrupteur à la position 2, le circuit est siège d'oscillations électriques libres et d'amortissements négligeables ; Et suit alors l'évolution de l'intensité I dans le circuit puis il détermine la fréquence f des oscillations et la valeur maximale de l'intensité Imax=14,2 mA; avec E=12,0 V.
Cependant les caractéristiques du capteur de cette sonde (sensibilité du capteur, relation entre la capacité du condensateur et le pourcentage d'humidité ) sont méconnues par Nelson; Mais il a des données réalisées par le passé par ses amis dans les même conditions de température et de pression que la première mesure qu'il souhaite déterminer. Le pourcentage d'humidité est lu sur un hygromètre. Ces données sont présentes dans le tableau ci-dessous.
La sensibilité du capteur est donnée par C en nF et P en %.
1) Aide Nelson à déterminer les caractéristiques du capteur( sensibilité et relation entre C et P).
2) Prononce-toi sur la validation du milieu de l'expérience de Nelson sachant que la gamme d'utilisation correspond à 10%<P<90%.
[]
1) Calcul de la sensibilité du Capteur.
S est égale au rapport de la variation de la capacité par la variation de P. Le tableau me fournit explicitement les variations de P, pas celle de C.
Le circuit est un oscillateur électrique constitué d'une bobine d'inductance L est d'un condensateur. L'équation differentielle de l'évolution temporelle du circuit est .
Je cherche donc à trouver C en fonction d'une ou des deux données du tableau (Intensité ; fréquence).
La pulsation w vaut :
w=1/√(LC)=2πf , je peux avoir C en fonction de f mais il apparaît ''L'' dont l'énoncé n'en dit rien ... je sais pas comment arriver à trouver une variation de C...

Bonsoir
Le tableau fournit aussi l'intensité maximale au cours des oscillations. Un raisonnement sur la conservation de l'énergie permet d'obtenir le rapport L/C. Puisque la fréquence des oscillations permet d'obtenir le produit L.C ...
L'énergie totale dans le circuit est:
E=Li²/2 + CU²/2 , U etant la tension instantanée aux bornes du condensateur. Puisque l'energie se conserve, alors elle est une constante donc sa derivee par rapport au temps est nulle...puis je evoluer ainsi?
Le condensateur étant initialement chargé sous la tension E=12V, l'énergie totale Ee du circuit est d'expression connue. Au cours des oscillations, un maximum d'intensité correspond à une valeur nulle de l'énergie électrique du condensateur...
Attention aux notations : tu donnes à la lettre E deux significations différentes.
Initialement l'Energie Ee=CU²/2=CE²/2. Pour qu'on obtienne donc une intensité maximale, il faudrait que l'Energie electrique Ee soit convertit en Energie électromagnétique par la bobine. soit Ee=Em
CE²/2=LI²max/2
<=> L/C=(E/Imax)²
D'accord. Avec l'expression de la fréquence, cela te fait un système de deux équations permettant de déterminer C.
1/√(LC)=2πf <=> 1/(LC)=4π²f²
<=> L=1/(4π²f²C) . En remplaçant L dans L/C=(E/Imax)² on a:
1/C²=(4π²f²E²)/(Imax²)
<=> C=Imax/(2πfE)
Pour P1=30,4 correspond C1=156,6 nF
Pour P2=54,8 correspond C2=184,7 nF.
S=(C2-C1)/(P2-P1)=(184,7-156,6)/(54,8-30,4)=28,1/24,4≈1,15 USI (?)
P2 et P1 sont des pourcentages (grandeur sans dimension), donc S possède la même dimension physique que C1 et C2 donc ici la même unité.
D'accord
Pour l'expression de C en fonction de P, : C=aP+b ; je cherche les réels a et b .
=> C1=aP1 + b
=> C2=aP2 + b
J'ai conservé les valeurs de C toujours en nF :
156,6=30,4a+b (i)
184,7=54,8a+b (ii)
(ii)-(i) <=> 24,4a=28,1 => a≈1,15
=> b≈121,64
<=> C=1,15P+121,64 (nF)
D'accord avec ton calcul. Une remarque cependant : il convient d'harmoniser le nombre de chiffres significatifs sur les valeurs de a et b. Les données étant fournies avec trois chiffres significatifs :
C=1,15P+122 (nF)
okay.
2) Pour cette question je sais vraiment pas ce qu'il faut faire. On sait que dans le milieu de l'expérience on a mesuré une intensité maximale Imax=14,2 A. j'aimerais déterminer P pour voir s'il appartient à la gamme d'utilisation.
* C=Imax/(2πfE)
* C=1,15P+122
Je voudrais égaliser les deux expressions pour avoir P, mais il y'a ''f'' qui traîne.
j'essaye de procéder par identification pour trouver la fréquence:
• Imax(2πfE)=122 mais par la suite je chute sur P=0
Les deux séries de mesures effectuées précédemment permettent de trouver C ; elles permettent aussi de trouver L. Tu vas pouvoir constater que les deux séries de mesures conduisent, aux incertitudes de mesures près, à la même valeur de L. Tu peux considérer L comme fixe, y compris pour la mesure qui t'intéresse maintenant.
Pour les deux mesures, correspondent les Valeurs C1 et C2 donc à deux valeurs de L aussi mais je vois pas comment arriver à une valeur de C..
Calcule les deux valeurs de L déduites des deux séries de mesures précédentes. Tu vas constater que ces deux valeurs sont pratiquement identiques ( écart relatif inférieur à 0,1%). Tu peux donc considérer L comme une constante. Logique : la variation de pression influence la valeur C mais pas L.
Pour Imax=14,2mA, la connaissance de E et de L permet d'obtenir la nouvelle valeur de C . Or tu as démontré la relation entre C et P...
L=1/(4πf²C)
Pour C1=156,6 nF , je trouve L1=1202077662,8 H.
Pour C2=184,7 nF, L2=1197859309,5 H
Le rapport L2/L1≈0,996 ; <=> L1≈L2.
En considérant L=L1:
C=(14,2*10^(-3))/(2π*12*1,07*10^(3))=176 nF.
On avait C=1,15P+122
<=> P=(C-122)/1,15
P=(176-122)/1,15≈46,9 %
Je t'ai expliqué les raisons de ce très faible écart entre les deux mesures de L. Le plus simple consiste à prendre la valeur moyenne en arrondissant à 3 chiffres significatifs :
L=0,120H.
Pour la suite : rien ne permet d'affirmer que la fréquence d'oscillation est toujours celle de la série de mesures n° 2. En revanche, on te fournit la valeur de Imax pour la valeur inconnue P :
Imax=14,2mA. Il faut utiliser cette valeur pour calculer C :
avec E=12,0V ; comme la valeur de L, la valeur de E est la même pour toutes les séries de mesures. En revanche, faire varier P fait varier C, ce qui entraîner des modifications des valeurs de Imax et de f.
D'accord.
Donc en application numérique:
C=((0,120)*(14 ,2*10^-3)²)/(12,0)²
C=1,68 F
ça conduit à un P : l'inductance est elle en F?
Ok je vois, j'avais oublié la puissance de 10...
Donc comme C=1,15P+122 nF
pour C=168 nF on a : P=(168-122)/1,15=40 %.
Donc le pourcentage d'humidité du milieu de l'expérience est de 40%.
Je pense que oui. Bien sûr, il aurait été intéressant de faire non pas 2 mais 6 ou 7 séries de mesures pour des valeurs de P comprise entre 10% et 90% pour vérifier graphiquement que C est bien fonction affine de P. L'exercice aurait été beaucoup plus long....
Vous devez être membre accéder à ce service...
Pas encore inscrit ?
1 compte par personne, multi-compte interdit !
Ou identifiez-vous :