Bonsoir, mon problème c'est que pour la question 1 lorsque j'applique le TCI et que je projette suivant x'x, j'ai mais je me demande quel est le signe de a_1 , de même que le deuxième cas je trouve
quel est le signe de a_2x
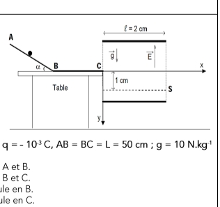
Exercice n°3:
Un corpuscule de masse m et de charge q considéré comme ponctuel, est lâché en A sans vitesse initiale. Il glisse le long d'un tremplin ABC.
Les forces de frottement sont assimilables à une force unique le long du trajet ABC. On admettra que le passage au point B ne modifie pas la valeur de la vitesse du corpuscule.
Données: m = 10 : f = 10 ^ 2, alpha = 30 deg q = - 10 ^ 3 * C ,AB = BC =L =50 cm; g=10 N. k * g'
1) Déterminer:
a) L'accélération a_1 du corpuscule entre A et B.
b) L'accélération a_2, du corpuscule entre B et C.
Bonjour,
Si vous savez que et que
, vous connaissez
et
et donc leur signe.
Le texte n'est pas très précis, mais on peut supposer que
- soit a1 désigne a1x et c'est fini
- soit a1 désigne la norme de et là aussi c'est fini.
Pour mieux aider Xenoverse, il doit poster la figure fournie par l'énoncé en cliquant sur le bouton "Img" en bas de la zone de saisie.
Non Ici moi j'ai considéré que sur AB on a un mouvement rectiligne uniformement accélérer a_1x=a_1 car le vecteur accélération est dans le sens du mouvement mais surBC on a un Mouvement rectiligne uniformement deceleré donc le vecteur accélération et le vecteur vitesse son opposé donc a_2x=-a_2 c'est ça que j'ai fait dans mon cahier.

Donc vous avez interprété le texte comme a1 et a2 normes de l'accélération, c'est raisonnable, et dans ce cas, votre réponse est correcte;
Tenez par exemple dans cette situation lorsqu'on projette le TCI (théorème du centre d'inertie quelle va être l'accélération ?
On aura Si on projette suivant x'x on aura -Tsin
=-ma avec a_x=-a n'est ce pas à votre avis d'où provient le signe moins
Enoncé:
Considérons un pendule constitué d'un fil inextensible de longueur là l'extrémité duquel on force tane bille de masse m, l'autre extrémité étant fixé au point O. le dispositif tourne lentement autour
f'un axe (4) en mouvement circulaire uniforme de vitesse angulaire w égale à une constante
1-Déterminer la tension du fil en l'exprimant en fonction de la vitesse angulaire.
avec
n'a pas grand sens : quelle est la signification de a ?
- cela ne peut être ax
- cela ne peut être puisque l'accélération a une autre composante
- cela ne peut être puisque ax n'est pas de signe constant.
donc que représente a ?
Bonsoir bon je ne veux pas vous embrouiller avec tout ça, pour être simple mon problème c'est que est ce que l'accélération a_1 et a_2 doit être projeter comme dans la deuxième énoncé (corrigé par notre prof) si non pourquoi c'est tout simplement ça
C'est quoi le deuxième énoncé : le pendule avec un peu compréhensible ? Je ne vois absolument pas d'où sort ce signe moins devant a ; alors que le signe moins devant T l'est :
, θ sens trigo, x vers la droite, un dessin permet de retrouver ce signe moins.
Sinon, je ne peux que répéter le message du 28-02-26 à 07:51
Si on interprète l'accélération a1 comme la seule composante non nulle, composante prise dans le sens du mouvement, la réponse est le a1x de votre premier message (et idem pour 2).
Votre calcul est parfaitement correct : vous écrivez que vous projetez en effet sur la direction du mouvement (axe x) qui donne bien vos deux expressions.
J'ai retrouvé votre deuxième énoncé, ce n'est pas exactement ax=-a mais ax=-an avec un dessin indiquant la direction de x opposé à celle de n, et donc le signe moins est justifié.

Bonjour,
Tu ne devrais pas mélanger deux problèmes différents, c'est la meilleure façon pour que plus personne ne s'y retrouve.
Pour le problème initial, une approche énergétique est bien plus directe.
Entre A et C la différence d'altitude est AB.sin(alpha); il y a donc variation d'énergie potentielle de pesanteur entre A et C de : m.g.AB.sin(alpha)
Il y a aussi le travail de la force de frottement qui vaut : -f * (AB + BC) = ...
L'énergie cinétique de la particule en C est donc ...
Et on en tire la vitesse de la particule en C.
Mais, il y a une soucis avec les valeurs numériques.
Si |f| = 100 N, jamais la corpuscule de masse 10 N ne glissera sur une pente alpha de 30°
D'ailleurs un "corpuscule" de masse 10 N est un non sens.
Il y a forcément des erreurs (soit de valeurs, soit d'unités) dans l'énoncé.
Vous devez être membre accéder à ce service...
Pas encore inscrit ?
1 compte par personne, multi-compte interdit !
Ou identifiez-vous :