Inscription / Connexion Nouveau Sujet
Niveau terminale
Partager :

condensateur

Posté par hasnaefachtab (invité) 16-05-06 à 01:14

bonsoir

voici une question d'un exercice que je n'ai pas su trop comment resoudre
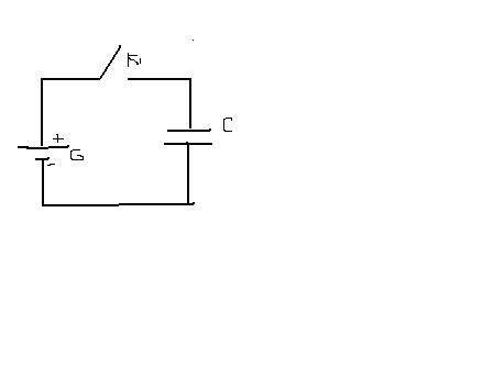
On ferme linterrupteur K1.
Montrer sur le shema lequel des deux poteaux du condensateur C porte la charge positive.??

merci beaucoup pour votre aide..


condensateur

Posté par
Bourricot
re : condensateur 16-05-06 à 05:42

Bonjour,

As-tu cherché dans ton cours ??

Ou un moteur de recherche devrait te donner la réponse sans que tu attendes que quelqu'un te mâche le travail ??

Posté par hasnaefachtab (invité)re 16-05-06 à 11:04

bonjour
a vrai dire j'ai effectivement cherché sur google et wikipedia mais en vain, les informations n'étaient pas reliés directement au sujet
merci pour votre aide
a bientot

Posté par
Bourricot
re : condensateur 16-05-06 à 11:11

moi avec Google je trouve en 3ème ligne

http://p.may.chez-alice.fr/condensateur.html

et j'ai mis "condensateur" dans la zone de recherche



Mentions légales - Retrouvez cette page sur l'île de la physique - chimie
© digiSchool 2026

Vous devez être membre accéder à ce service...

Pas encore inscrit ?

1 compte par personne, multi-compte interdit !

Ou identifiez-vous :


Rester sur la page

Inscription gratuite

Fiches en rapport

parmi 247 fiches de physique

Désolé, votre version d'Internet Explorer est plus que périmée ! Merci de le mettre à jour ou de télécharger Firefox ou Google Chrome pour utiliser le site. Votre ordinateur vous remerciera !