bonsoir, c'est encore moi j'ai cet exercice ça fait longtemps mais je n'arrive pas à faire la partieC j'ai profié pour mettre le sujet complet
Un dipôle D peut être formé des éléments suivants :
- cas a : une résistance R et une inductance L en série;
- cas b : une résistance R et un condensateur parfait de capacité C en série;
- cas c : une résistance pure.
A - 1) On alimente un tel dipôle D1, en série avec un ampèremètre à courant continu, par une tension continue, et l'on observe qu'un courant permanent traverse D1.
De quels éléments peut être constitué le dipôle D1 (cas a, b ou c) ?
2) On alimente maintenant le dipôle D1 par une tension sinusoïdale de fréquence f = 50 Hz et l'on observe que :
- l'intensité efficace du courant dans D1 est I1 = 0,5 A
- la tension efficace aux bornes de D1 est U1 = 100 V
- la puissance moyenne dissipée dans D1 est P1 = 25 W.
a) Quelle est la nature exacte du dipôle D1 ?
b) Déterminer les valeurs numériques des éléments de D1.
B - On alimente, par une tension sinusoïdale de fréquence 50 Hz, un circuit constitué du dipôle Dl précédent et d'un dipôle D2 branché en série avec Dl. Le dipôle D2 est constitué d'une résistance pure R2, et d'une inductance L2 en série. Dans ces conditions, on observe que :
- la tension efficace aux bornes de D2 est U2 = 60 V
- l'impédance de D2 est Z2 = 300 Ohm
- le déphasage entre l'intensité i2 dans le circuit et la tension aux bornes de D2 est pHi2 = 30°.
1) Déterminer la tension efficace U' aux bornes de D1.
2) Calculer L2 et R2
3) Calculer la tension efficace d'alimentation U0, puis contrôler ce résultat sur un diagramme de Fresnel relatif à l'ensemble du circuit.
C - On réalise maintenant un montage comprenant, en série, les dipôles Dl et D2 précédents, et un condensateur parfait de capacité C. Le circuit est alimenté par une tension sinusoïdale de fréquence 50 Hz, et de valeur efficace U3. On désire obtenir, dans ce circuit un courant de même intensité I2 que dans la question B, en utilisant une tension d'alimentation minimale U3.
1) Montrer que l'impédance de l'ensemble doit être minimale et calculer C.
2) Déterminer la valeur efficace de la tension d'alimentation et la puissance moyenne P3 dissipée dans le circuit.
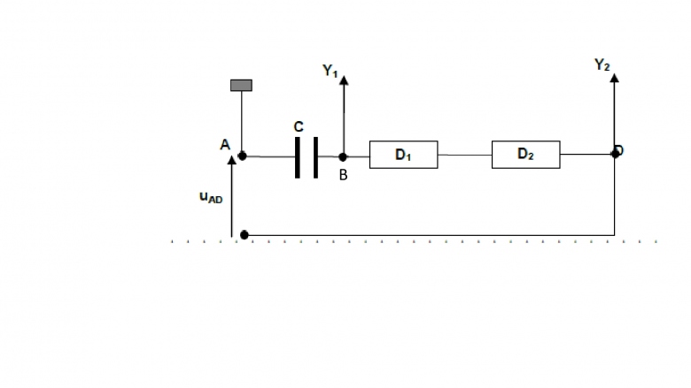
3) On relie les points B et D à un oscilloscope bicourbe, de sorte que sur l'écran apparaissent les représentations, en fonction du temps, des tensions instantanées uAD et uAB = u3.
Représenter les courbes observées sur l'écran, préciser leurs amplitudes et le déphasage observé entre l'alimentation uAD et uAB
Bonjour
Comme d'habitude, le plus simple est que tu indiques d'abord tes réponses et pose des questions sur ce qui te bloque. L'aide est plus efficace ensuite !
C)1) montrer que l'impedence est minimale et calculer C(capacité)
j'ai eu Z32=Z02-2(L1+L2)/C+(1/Cw)2
=>Z32-Z02<0 car
-2(L1+L2)/C+(1/Cw)<0
=>Z3<Z0 mais après cela je vois de moyen pour trouver C
oubien ils veulent nous faire savoir que nous sommes à la resonnance
Pourrais-tu revoir la cohérence de ton schéma de circuit ainsi que le branchement de l'oscillo. u3 est d'abord définie comme la tension aux bornes de l'ensemble des trois dipôles puis tu fais intervenir un point B non défini dans l'énoncé.
De façon générale, si tu veux visualiser à l'oscillo une tension instantanée uAB, la borne B doit être reliée à la masse de l'oscillo et la borne A à l'entrée CH1 ou CH2. Enfin : pour des raisons de sécurité, la borne noire du générateur (sa masse) est souvent reliée à la terre ainsi que la masse de l'oscillo. Dans ces conditions, pour que l'oscillo ne court-circuite pas de dipôle, la masse de l'oscillo doit impérativement être reliée à la borne noire du générateur (sa masse).
Pour que je sois sûr que tu aies bien compris les parties A et B, il faudrait que tu indiques tes résultats à ces deux premières parties, sans nécessairement les justifier pour gagner du temps.
ok
A)
1)cas a ou b car le courant continu ne traverse pas le condensateur
2)a)casa car la puissance se consomme
b)R1=100ohm
L1=0.55 H
B)
1)U1'=z1*I0 =40v
2) R2=259.08ohm L2=0.47H
3) U0=Z0I0
or Z0=483.89ohm I0 =0.2A
=> U0=96.67 V
construction de fresnel
D'accord globalement avec tes résultats des parties A et B à quelques arrondis de calculs près. L'impédance du circuit de la partie C vérifie :
Pour que Z32 soit minimum sachant que le premier carré est une constante, il faut que le second carré soit minimum. Or la valeur minimale d'un carré est nulle. Ton intuition sur la résonance d'intensité est donc juste !
Je ne comprends toujours pas ton schéma. Selon moi, la masse commune au générateur et à l'oscillo est la borne B, la borne rouge du générateur étant la borne A puisque u3=uAB selon ta copie d'énoncé. Reste à savoir où est le point D sur le schéma et l'ordre dans lequel les trois dipôles sont branchés.
ah je comprend parfaitement maintenant donc
(L1+L2)/w=1/Cw=>C=9.93.10-6
U3=(R1+R2)*I2
=>U3=71.96V
P3=(R1+R2)*I22=14.39
en realité vanoise c'est un sujet de baccalauréat que j'ai trouvé
on a donné ça à notre bac blanc

PDF - 99 Ko
Sujet très intéressant et d'un bon niveau mais le schéma n'est pas en cohérence avec le texte pour plusieurs raisons fournies à 19h22.
Bonne méthode pour les dernières questions mais attention aux unités. Une application numérique non accompagnée de son unité lorsque celle-ci existe est souvent considérée comme fausse par les jurys de concours et d'examens.

ce que je ne compprend pas c'est pas celle de la tension aux bornes du générateur et de la resistance qu'on peut representer non ? mais ici on a un condensateur
Puisque tu travailles dans le cas particulier de la résonance d'intensité, il est très facile d'obtenir l'expression de i(t) en fonction de l'expression connue de u3(t).
Ensuite, tu sait exprimer la tension aux bornes d'un condensateur en fonction de C et d'une primitive sinusoïdale de i(t). Tout cela me parait un peu difficile au niveau terminale... Voici une simulation pour t'auto-corriger. Il faut s'intéresser essentiellement aux amplitudes et au déphasage d'une tension par rapport à l'autre.

PDF - 65 Ko
si bien je comprend les deux courbes
U3max=U3*=101.76V
Ucmax=I0/Cw=90.66V
est ce bien cela?
si c'est cela avec les valeurs maximales je pourrait les tracer
La méthode est bonne. Sans avoir arrondi les calculs intermédiaires mais en arrondissant les résultats à trois chiffres significatifs, j'obtiens :
U3max=102V
UVmax=91,4V
Pour le tracé, puisque tu connais la période, il te faut déterminer le déphasage (et donc aussi le décalage horaire) entre les deux tensions instantanées. Le résultat est un cas particulier simple puisqu'il y a résonance d'intensité.
Vous devez être membre accéder à ce service...
Pas encore inscrit ?
1 compte par personne, multi-compte interdit !
Ou identifiez-vous :