Inscription / Connexion Nouveau Sujet
Niveau première
Partager :

Exo PHYSIQUE 1e S : Distribution de l énergie dans un circuit 2

Posté par diddy11 (invité) 21-03-05 à 19:09

Bonjour !!

J'ai quelques problèmes pour un exercice de PHYSIQUE pour demain !!

Merci de votre aide !!

diddy11

---------------------------------

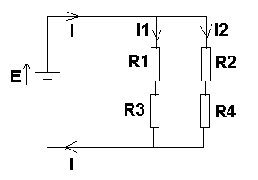
Un générateur idéal de force éléctromotrice E=12 V est utilisé pour alimenter le "pont de résistance" : Soit Un circuit PACN avec le générateur sur NP et le courant partant de P et arrivant au générateur en N. La branche AC est divisé en deux : ADC et ABC avec sur AD, la résistance R1 = 20 ohm, sur DC, R4 = 60 ohm, sur AB, R2 = 5.0 ohm, et sur BC, R3 = 15 ohm.

a/ Déterminer la résistance équivalente à l'ensemble et en déduire l'intensité I du courant débité par le générateur.

b/ Calculer les intensités I1 et I2 des courants qui circulent respectivement dans les branches ADC et ABC.

c/ En déduire la tension aux bornes de chaque conducteur.

d/ Calculer les puisssances consommées et vérifier la conservation de l'énergie éléctrique pour ce circuit.

e/ Calculer lea tension U(BD)

f/ Que se passe-t-il si on place un fil conducteur entre ces deux points ?

g/ Calculer la nouvelle résistance équivalente et vérifier qu'elle est bien égale à la précédente.

-------------------------------

Mes réponses :

a/
Ds circuit en dérivation : 1/Req = 1/R1 + 1/R2 ...

D'ou : 1/Req = 1/20 + 1/5.0 + 1/15 + 1/60
       1/Req = 3 ohm

-  Pg = EI

d'ou EI = RI^2 et I = E/R

Donc I = 12/3 = 4 A

b/ Dans ADC, en série donc : Req = R1 + R2 d'ou Req = 80 ohm
et Dans ABC, en série donc : Req = R2 + R3 d'ou Req = 20 ohm

de +, dans le circuit en dérivation, on sait que I = I1 + I2

Mais je ne vois pas comment peut-on calculer I1 et I2 car ils ne sont pas forcément égaux ??

c/ .... Je ne peux pas car je trouve pas la B

d/ on utilise P=RI^2 ??

e/ je ne vois pas ....

f/ ...

g/ ...

-------------------

Aidez-moi SVP !!

Merci d'avance !!

diddy11

Posté par diddy11 (invité)re : Exo PHYSIQUE 1e S : Distribution de l énergie dans un circ 21-03-05 à 20:50

svp !!

Posté par
J-P
re : Exo PHYSIQUE 1e S : Distribution de l énergie dans un circ 22-03-05 à 10:46

a)
R = (R1+R4) en // sur (R2+R3)
R = 80 Ohms en // sur 20 Ohms

1/R = 1/80 + 1/20
1/R = 5/80 = 1/16
R = 16 Ohms

I = E/R = 12/16 = 0,75 A
-----
b)
I1 = E/(R1+R4) = 12/80 = 0,15 A
I2 = E/(R2+R3) = 12/20 = 0,6 A
-----
c)
V(R1) = R1*I1 = 20*0,15 = 3 V
V(R4) = R4*I1 = 60*0,15 = 9 V
V(R2) = R2*I2 = 5*0,6 = 3 V
V(R3) = R3*I2 = 15*0,6 = 9 V
-----
d)
P(R1) = V(R1)*I1 = 3*0,15 = 0,45 W
P(R2) = V(R2)*I2 = 3*0,6 = 1,8 W
P(R3) = V(R3)*I2 = 9*0,6 = 5,4 W
P(R4) = V(R4)*I1 = 9*0,15 = 1,35 W

P(R1) + P(R2) + P(R3) + P(R4) = 0,45 + 1,8 + 5,4 + 1,35 = 9 W

Avec P la puissance fournie par le générateur, on a:
P = E*I = 12*0,75 = 9 W.

On a bien P = P(R1) + P(R2) + P(R3) + P(R4)
-----
e)
U(CD) + U(DB) + U(BC) = 0
R4*I1 + U(DB) - R3*I2 = 0
9 + U(DB) - 9 = 0
U(DB) = 0
U(BD) = 0 volt
-----
f)
Il n'y aura aucun courant dans le fil.
-> Le placement du fil n'influence rien.
-----
e)
Résistance équivalente = (R1//R2) en série avec (R3//R4)
Résistance équivalente = (R1//R2) + (R3//R4)
Résistance équivalente = [(20*5)/(20+5)] + [(60*15)/(60+15)]
Résistance équivalente = 4 + 12
Résistance équivalente = 16 Ohms

Elle est bien équivalente à la résistance R calculée au point a.
-----
Sauf distraction.  

Posté par
J-P
re : Exo PHYSIQUE 1e S : Distribution de l énergie dans un circ 22-03-05 à 10:47

Zut, j'ai oublié le dessin, le voici.




Exo PHYSIQUE 1e S  : Distribution de l énergie dans un circ



Mentions légales - Retrouvez cette page sur l'île de la physique - chimie
© digiSchool 2026

Vous devez être membre accéder à ce service...

Pas encore inscrit ?

1 compte par personne, multi-compte interdit !

Ou identifiez-vous :


Rester sur la page

Inscription gratuite

Fiches en rapport

parmi 247 fiches de physique

Désolé, votre version d'Internet Explorer est plus que périmée ! Merci de le mettre à jour ou de télécharger Firefox ou Google Chrome pour utiliser le site. Votre ordinateur vous remerciera !