Bonjour de l'aide svp
Voici mon exercice
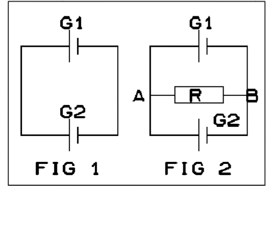
Un circuit comprend deux générateurs G1 et G2 montés en opposition (fig.1) dont les f.é.m. et résistances internes valent respectivement E = 10 V, r2 = 1 ohms.
La résistance des fils de jonction est miner le sens et l'intensité du courant dans le circuit.
On ajoute en série un ampèremètre de résistance 5 ohms.
Quelle indication ? Conclure.
On enlève l'ampèremètre et on réunit les points A et B par un conducteur ohmique de résistance R = 3,2 ohms (fig.2). , en opposition par rapport à G1, se comporte comme un ; il est traversé par un courant qui va de A vers B.
* Calculer les intensités I1, I2 et I des courants qui passent dans G
* Quelle est la valeur de R qui annulerait l'intensité I2 traversant G
* On remplace la résistance R par un moteur de résistance interne r = 1 qui fournit la puissance mécanique Pu et on suppose que les sens des courants restent les mêmes que précédemment.
* Former l'équation qui permet de calculer, en fonction de Pu
C'est a partir d'ici que jarrive pas. Je sais que Pu=E'I..mais on n'a pas donner E'
* Quelle est la valeur maximale de Pu ?
* Déterminer les valeurs possibles de I lorsque le moteur fournit la puissance
= 10 W. Quel est le régime le plus intéressant ? Pourquoi ?
Voici les schémas 
Merci d'avance
***Messages fusionnés et aéré***
Bonjour. J'aimerais bien t'aider pour ton exercice, mais je veux juste savoir quel jour que tu le rendras, ainsi je saurai combien de temps ça me laissera pour le traiter. Merci!

Bonjour,
Je rejoins J-P malgré ma tentative de fusion des messages, et te rappelle de nouveau quelques règles :
Un circuit comprend deux générateurs G1 et G2 montés en opposition (fig.1)
dont les f.é.m. et résistances internes valent respectivement E1=40V
r1= 4 Ω.; E2=10V et r2=1Ω
La résistance des fils de jonction est négligeable
Determiner le sens et l'intensité du courant dans le circuit.
On ajoute en série un ampèremètre de résistance 5 Ω. Quelle indication
? Conclure.
On enlève l'ampèremètre et on réunit les points A et B par un conducteur
ohmique de résistance R = 3,2 Ω (fig.2).
, en opposition par rapport à G1, se comporte comme un recepteur
; il est traversé par un courant qui va de A vers B.
Calculer les intensités I1, I2 et I des courants qui passent dans G
Quelle est la valeur de R qui annulerait l'intensité I2 traversant G
On remplace la résistance R par un moteur de résistance interne r = 1
qui fournit la puissance mécanique Pu et on suppose que les sens des
courants restent les mêmes que précédemment.
Former l'équation qui permet de calculer, en fonction de Pu, lintensité I qui traverse le moteur
Quelle est la valeur maximale de Pu ?
Déterminer les valeurs possibles de I lorsque le moteur fournit la puissance
= 10 W. Quel est le régime le plus intéressant? Pourquoi
1)
E1 > E2 et donc I a le sens que j'ai indiqué sur le dessin.
I = (E1 - E2)/(r1 + r2) = (40 - 10)/(4 + 1) = 6 A
-----
Si on ajoute un ampéremètre de résistance r = 5 ohms, on aura I = (E1 - E2)/(r1 + r2 + r) = (40 - 10)/(4 + 1 + 5) = 3 A
L'ampèremètre indiquera 5 A
-----
2)
U(AB) = E1 - r1.I1 = R.I = E2 - r2I2
I1 = I + I2
40 - 4I1 = 3,2.I = 10 + I2
I1 = I + I2
Système de 3 équations à 3 inconnues qui résolu donne :
I1 = 6,8 A
I2 = 2,8 A
I = 4 A
-----
3)
R pour annuler I2 :
Pour annuler I2, il faut que U(AB) = E2 = 10 V
--> 40 - 4.I1 = 10
I1 = 7,5 A
On a alors aussi I = 7,5 A
Et donc R = U(AB)/I = 10/7,5 = 4/3 ohm
-----
Essaie de continuer la partie avec le moteur.
...
On corrigera si nécessaire.
Sauf distraction. 

Avec moteur
Pu = E * I
U(AB) = E1 - r1.I1 = E + r.I = E2 + r2I2
I1 = I + I2
---
Pu = E * I
40 - 4.I1 = E + I = 10 + I2
I1 = I + I2
---
40 - 4.(I + I2) = E + I = 10 + I2
40 - 4.(I + I2) = 10 + I2
40 - 4I - 4.I2 = 10 + I2
I2 = (30 - 4I)/5
E + I = 10 - I2
E + I = 10 - (30 - 4I)/5
5E + 5I = 50 - 30 + 4I
I = 20 - 5E
E = 4 - 0,2.I
Pu = E*I
Pu = 4I - 0,2.I²
-----
f(I) = -0,2I² + 4I
f'(I) = -0,4.I + 4
max de f pour I = 4/0,4 = 10 A
Pmax = 4*10 - 0,2*10² = 20 W
-----
Si P = 10 W :
4I - 0,2.I² = 10
0,2I² - 4I + 10 = 0
I = 2,93 A ou I = 17,07 A
Si I = 2,93 A, alors E = 10/2,93 = 3,41 V
Si I = 17,07 A, alors E = 10/17,07 = 0,586 V
-----
Aucun calcul vérifié ... 
C'est bien possible, il y a une erreur de signe dans ma réponse non relue.
...
E + I = 10 + I2
E + I = 10 + (30 - 4I)/5
5E + 5I = 50 + 30 - 4I
E = (80 - 9I)/5
Pu = I*(80 - 9I)/5
Pu = 16I - 1,8.I².
En tenir compte aussi pour la suite ...
Sauf nouvelle distraction. 
Pu = 16I - 1,8.I²
Avec Pu = 10 (W) --->
1,8.I² - 16.I + 10 = 0
I = 8,21 A ou I = 0,676 A
Donc 2 régimes possibles :
a) I = 0,676 A avec E = 10/I = 14,8 V (pertes par effet Joule dans le moteur = r*I² = 1 * 0,676² = 0,46 W)
b) I = 8,21 A avec E = 10/I = 1,22 V (pertes par effet Joule dans le moteur = r*I² = 1 * 8,21² = 67 W)
Donc le régime b a beaucoup plus de pertes par effet Joule que de puissance utile, ce régime est probablement interdit par les caractéristiques du moteur ... qui ne sont pas données ici).
Je présume donc que le "régime le plus intéressant" attendu est le régime avec U = 0,976 A et E = 14,8 V
Mais cette question est sujette à discussion ... car si le moteur est apte à dissiper l'effet Joule et supporter le courant sans dommage, c'est alors l'application qui devrait déterminer le régime intéressant.
Le régime a est à faible couple et vitesse élevée et le régime b est à couple élévé et vitesse faible.
-----
Attention, calculs de nouveau pas vérifiés.

Bonsoir pouvez vous m'expliquer au niveau du système d'équations de trois inconnus comment avez vous procéder pour trouver I1, I2 et I
Merci
Résoudre un système d'équations relève davantage des mathématiques que de la physique même si les inconnues au lieu de s'appeler x, y, z s'appellent I1, I2 et I
Pour recevoir de l'aide, merci de rappeler ici quelles sont les équations concernées.
Bonsoir je parle de la où on écrit U(AB) = E1-rI1=R.I=E2 - rI2
Comment peut-on déterminer les trois intensités dans ce cas ?
Merci
Le site a rencontré un problème temporaire.
Merci de retenter l'opération plus tard
Vous devez être membre accéder à ce service...
Pas encore inscrit ?
1 compte par personne, multi-compte interdit !
Ou identifiez-vous :