Bonsoir à tous et à toutes,
J'ai réalisé un exercice sur le chapitre « les signaux et capteurs ». Pouvez-vous m'assurer que les réponses sont correctes ou non ? Merci infiniment et bonne soirée à tous.
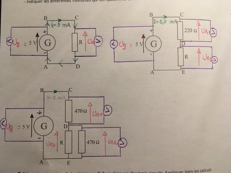
Consigne : Pour chacune des trois circuits, représentez les flèches tensions de chaque composants, indiquez les voltmètres et indiquez les différentes tensions qui composent le circuit. ( veuillez voir mes productions en pièce jointe ).
Ensuite, je dois déterminer la valeur de la résistance R dans chacune des circuits. J'ai fait :
Pour le 1er circuit :
On cherche Ur :
Loi des mailles : Ug=Ur=0
Ug=Ur=5V
On cherche R:
Loi d'OHM :
Ur= R x I
=> R=Ur/i = 5/5x10 puissant -3.
= 1000 ohm.
2ème circuit :
On cherche Ur2 :
Loi des mailles :
Ug-Ur1-Ur2=O V
Ur2=Ug-Ur1=O V
Ur2= 200 - 5 = 195 V
On cherche R :
Ur=R x i
=> R= Ur/i = 195/6,9x10 puissant -3
Environ = 28 260 ohm.
3ème circuit :
On cherche Ur3 :
Loi des mailles :
Ug-Ur1-Ur3= 0 V
Ur3=Ur1-Ug
Ur3= 470 - 5
Ur3 = 465 V
On cherche R :
Loi d'OHM :
Ur= R x i
=> R = Ur/i
= 465/ 8x 10 puissant -3
= 58 125 ohm.
Veuillez m'excuser pour la longueur du message
Et merci !

Bonsoir,
1er circuit : c'est juste.
2ème et 3ème circuits : comment peux-tu trouver des tensions de plusieurs centaines de volts dans ces circuits purement résistifs où le générateur fournit une tension de 5 volts ?
Bonjour, pouvez vous m'indiquez les endroits où j'ai commis des erreurs s'il vous plaît ? Merci beaucoup.
Bonjour,
2ème circuit:
Ur2= Ug - Ur1 oui.
Mais la ligne suivante ? ? ?
Il faudrait maintenant calculer Ur1.
En fait, pourquoi parler de maille ? Il suffit, pour calculer R, d'appliquer la loi d'Ohm au circuit G, R1 et R2.
Loi d'Ohm : U = R x I
=> R = U/i
R = 5/220
= 0,02 ohm.
Pouvez-vous me donner quelques pistes pour trouver Ur2 ? Merci.
Que cherches-tu à calculer ainsi ?
Quant au calcul de Ur2, continue ton calcul de 9h29 en calculant UR1, dont on connaît le courant qui la traverse, ainsi que sa valeur ohmique.
Bonjour,
En calculant ainsi, j'ai cherché à trouver la valeur ohmique de UR2.
Calcule de 9h29 pour trouver Ur1 :
Ur1 = Ug - Ur2 = 0
Ur1 = 5 = 5 = 0
Bonsoir,
Ur1 = R x I
Ur1 = 220 X 6,9 x 10 - puissance 3
Ur1 = 1,518 ??
Merci d'avance et bonne soirée.
Bonjour,
Comment faire pour trouver les tensions du circuit 3 ? Vous m'avez dit que les exercices du circuit 3 sont fausses ?
Merci.
Bonjour,
3ème circuit.
Ug - Ur1 - Ur3 = 0 .
Ur1 se calcule sans difficulté.
Ur3 se calcule de même, mais en fonction de R, la résistance étant composée des résistances R et 470
connectées en parallèle.
Bonjour,
Comment doit-on savoir si une tension se calcule par la loi d'Ohm ou par la loi des mailles ?
Sinon,
Loi d'Ohm : Ur1 = R x i
Ur1 = 470 x 8 x 10 puissance -3
Ur1 = 3,76 V
Mais pour Ur3, je n'arrive pas 
Pour appliquer la loi des mailles, il faut connaître les tensions mises en jeu.
Pour calculer Ur3 de la même façon, calcule d'abord la résistance équivalente aux deux résistances R3 et R connectées en parallèle, afin de l'exprimer en fonction de R.
Ur1 et Ur2 sont la même valeur : 3,76 V.
Je ne sais pas calculer la résistance équivalente aux deux résistances R3 et R
Peut-être faut-il utiliser la loi d'Ohm ? :
U = R x i
<==> R = U/i ??
Quand deux résistances Ra et Rb sont connectées en parallèles, ce sont les conductances (inverses des résistances) qui s'ajoutent .
Si Req est la résistance équivalente au deux résistances en parallèle, on a
1/Req = 1/Ra + 1/Rb ,
égalité dont on peut tirer Req en fonction de Ra et Rb.
Le problème est que je n'ai jamais travailler sur cela en classe. Je suis en seconde, c'est peut-être la cause du problème. Il n'y a pas un autre moyen de trouver la tension de ces résistances ?
C'est que la tension Ur3 cherchée dépend de chacune des deux résistances en parallèle.
Pour calculer leur résistance équivalente, utilise la formule que je t'ai indiquée.
Vous devez être membre accéder à ce service...
Pas encore inscrit ?
1 compte par personne, multi-compte interdit !
Ou identifiez-vous :