Bonjour,
j'ai le circuit suivant à traiter et je dois répondre aux questions suivantes:
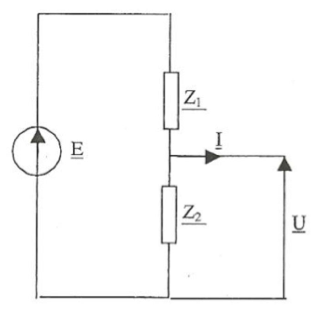
- 1) quelle est l'expression de U_ en fonction de E_, I_, Z1_, et Z2_ ?
- 2) quelles doivent être la nature de Z1_ et Z2_ pour que: I_ = f(E_) pour tout U_
Seulement si on se réfère au schéma I_ n'est-il pas nul ?
J'ai peut être mal compris le schéma...
Pourriez-vous m'aider svp ?
Merci d'avance,
Cookie2012

On ne sait pas ce qui est branché entre les bornes de sortie.
Si il n'y a rien ... alors, oui I = 0
Mais en branchant "quelque chose" sur la sortie, alors I n'est pas nul.
L'énoncé ne précise pas ce qui est branché sur la sortie mais fournit l'information que ce "quelque chose" est parcouru par un courant I.
Il faut donc en tenir compte.
U = Z2.(i1 - I)
E = Z1.i1 + Z2(i1-I)
E = (Z1+Z2).i1 - Z2.I
i1 = (E + Z2.I)/(Z1+Z2)
U = Z2.((E + Z2.I)/(Z1+Z2) - I)
U = Z2.(E - Z1.I)/(Z1+Z2)
U = Z2.(E - Z1.I)/(Z1+Z2)
Sauf distraction. 
Merci beaucoup J-P
Et pour la question 2 j'utilise de nouveau l'expression de E = Z1.i1 + Z2(i1 -I) puis celle de i1=(E + Z.I)/(Z1+Z2) pour trouver la nature de Z1 et Z2 afin que I soit exprimer en fonction de E pour tout U ? Mais que veut dire mon prof par "nature" ?
Et je trouve :
I = (Z2 - E - U(Z1+Z2))/Z1.Z2
(j'ai réutilisé la réponse à la 1) en fait)
Est-ce correct ?
2)
Je ne sais pas si c'est ce qui suit qui est attendu, à toi de voir.
U = Z2.(E - Z1.I)/(Z1+Z2)
(E - Z1.I) = U * (Z1+Z2)/Z2
Z1.I = E - U * (Z1+Z2)/Z2
I = [Z2.E - U * (Z1+Z2)]/(Z1.Z2)
Pour que I soit indépendant de U et donc ne dépende que de E, il faudrait que (Z1+Z2)/(Z1.Z2) = 0
Donc que Z1 + Z2 = 0 (avec Z1 et Z2 différents de 0)
On aurait alors : I = E/Z1 indépendant de U
-----
C'est possible, puisque toutes les grandeurs sont des complexes (barre en dessous des symboles)
Par exemple avec :
E = Eo.sin(wt)
Z1 = 1/(jwC)
Z2 = jwL
et w = 1/Racine(LC) --> w²LC = 1
I = [Z2.E - U * (Z1+Z2)]/(Z1.Z2)
I = [jwL.E - U * (jwL+ 1/(jwC))]/(L/C)
I = [jwL.E - U * (j²w²LC+ 1)/(jwC)]/(L/C)
I = [jwL.E - U * (1 - w²LC)/(jwC)]/(L/C)
I = [jwL.E - U * 0/(jwC)]/(L/C)
I = jwL.E/(L/C)
I = jwC.E (avec E, sinusoïdale de pulsation w).
... dont vrai pour tout U.
-----
Sauf distraction. 
Ca me semble cohérent en tout cas avec la question posé.
Merci beaucoup pour votre aide et pour vos explications
Vous auriez une idée de ce qui est alors réalisée lorsque I=f(E) ( donc quand Z1 + Z2=0) ?
Je travaille sur le même problème et en était arrivé aux mêmes résultats concernant les deux premières questions, seulement il me reste deux interrogations :
1) Je suis arrivé à la même équation pour la question 2), cependant je ne parviens pas à trouver quelle est la nature de z1 et z2 (faut-il s'arrêter là ou préciser quelque chose ?).
2) Mon problème comprenait une autre question à laquelle je ne parviens pas à répondre :
"La charge associée en dérivation avec z2 est composée de lampes associées en série, vous analyserez le comportement du système lorsque le nombre de lampes augmente, avec pour caractéristique pour les lampes : Ul = k Il"
Pourrais-je avoir de l'aide concernant ces deux points ?
Merci d'avance.
Pour les lampes en série ... c'est facile.
L'impédance du filament d'une ampoule à incandescence varie avec sa température ... donc avec le courant le traversant.
Mais dans le cas du montage comme dans le point 2, le courant de sortie reste toujours le même quelle que soit la tension de sortie.
Donc chacune des lampes (identiques) en série éclairera de la même manière quel que soit le nombre d'ampoules mises en série.
Par contre la tension de sortie aux bornes de l'ensemble des ampoules (donc au bornes de Z2) augmentera proportionnellement aux nombre d'ampoules associées en série.
Si Ul = k.I est la tension aux bornes du filament d'une ampoule parcouru par le courant I = jwC.E (calculé précédemment), la tension U (sur Z2) sera égale à n*k.I si n ampoules sont câblées en série et l'ensemble mis en dérivation sur Z2.
Sauf distraction.
Si on s'est mis dans le cas où :
E = Eo.sin(wt)
Z1 = 1/(jwC)
Z2 = jwL
et w = 1/Racine(LC) --> w²LC = 1
Alors i est constant quelle que soit la charge câblée en dérivation sur Z2
On a i = jwCE
Et bien entendu, si la charge varie, i reste le même, mais U varie et donc les courants dans Z2 et dans Z1 varient aussi.
-----
Supposons une charge Z : (connectée en dérivation sur Z2)
U = Zi
U = jwZC.E
i2 = U/z2 = jwZC.E/(jwL) = (ZC/L).E
E-U = Z1.i1 (avec i1 courant dans le générateur est dans Z1)
i1 = (E-U)/z1
i1 = (1 - jwZC).E*jwC
i1 = (jwC + w²ZC²).E
On a : i + i2 = U/Z + (ZC/L).E
i + i2 = jwZC.E/Z + (ZC/L).E
i + i2 = (ZC/L + jwC).E
Mais comme w = 1/Racine(LC), on a w²C = 1/L --->
i + i2 = (w²ZC² + jwC).E
Et on a bien : i + i2 = i1 (donc la loi de noeud est bien respectée)
Et ceci quelle que soit la charge Z
-----
Il y a quand même une limite pratique de fonctionnement à ce montage :
En effet si Z est infinie (circuit ouvert), la tension U sera théoriquement infinie ... ce qui n'est pas possible sous peine de "claquer" tous les composants par surtension.
... mais c'est un problème pratique.
Autre chose limite aussi les "performances" de ce circuit, il n'existe aucun condensateurs parfaits (ils ont tous des pertes, courant de fuite, perte par tangente delta dans les isolants, inductance série parasite par la longueur des connexions ...)
et il n'existe aucune inductance (L) parfaite (elles ont toutes une résistance série due au fil de bobinage et ont toute des capacités parasites inter-spires ...).
Donc bien se rendre compte que l'étude théorique faite ici (et qui suppose les C et les L parfaits et tous les composants pouvant supporter n'importe quelle tension et courant) a des limites pratiques ... imposées par les composants.
-----
Sauf distraction.
Merci pour votre réponse rapide et détaillée!
Juste pour vérifier : si jamais on met Z1 = jwL et Z2 = jwc
Par un raisonnement analogue, on a alors i = E/jwL
On obtient exactement le même résultat pour i2= ZC/L * E
Mais ensuite on obtient i1= (1/jwL - Z) * E
On a i + i2= E * (z²/ jwL + ZC/L )
Est-ce-que ca veut dire que cela ne fonctionne pas lorsqu'on permute condensateur et bobine, ou bien c'est que mon calcul n'est pas abouti/correct?
On se met en effet dans les conditions de la question 2 posée par cookie2012 mais si on examine le cas général où I n'est pas forcément de la forme I=f(E) (et donc où elle dépend de U), que se passerait-il pour les lampes?
Merci d'avance
On peut aussi faire ainsi puisque pour répondre à la question 2, il fallait avoir Z1 = Z2 ... on peut donc "croiser" les expressions de Z1 et Z2
-----
Si on n'est pas dans le cas de la question 2 ...
il faut recommencer l'étude en mettant un Z en parallèle sur Z2 , on a alors :
U = Z2.(E - Z1.I)/(Z1+Z2)
avec U = Z*I
En éliminant soit U, soit I entre ces 2 équations, on trouve U ou I en fonction de Z (donc de la charge)
... Mais sans "connaître" Z1 et Z2 on ne pourra pas faire grand chose des résultats.
-----

Vous devez être membre accéder à ce service...
Pas encore inscrit ?
1 compte par personne, multi-compte interdit !
Ou identifiez-vous :