Bonjour à tous,
je travaille sur un exercice de filtre mais j'aimerais avoir quelques aides.
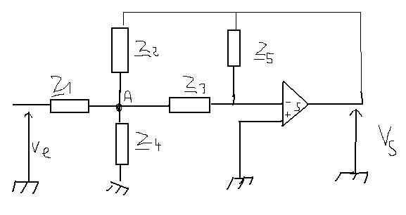
I]
1) Montrer que la fonction de transfert d'un tel montage est:
H=Vs/Ve= -1/( (Y2/Y1) + (Y5/Y3) + (Y5/Y3) + (Y5*Y2/Y1*Y3) + (Y5*Y4/Y1*Y3) )
Réponse: Je pense qu'un Millmann bien placer serait le mieux.
Mais si quelqu'un avait peut-être une autre idée.. Ou cette idée est peut-être la meilleur?
Merci d'avance
Equation du noeud à l'entrée - de l'ampli :
Va/Z3 = -Vs/Z5
Equation du noeud en A :
(Ve-Va)/Z1 + (Vs-Va)/Z2 = Va/Z4 + Va/Z3
On tire Va de la 1ère équation et on remplace Va par ce qu'on aura trouvé dans la 2ème équation.
... Il restera alors une relation liant Vs à Ve qu'il sera facile de mettre sous la forme : Vs/Ve = ...
Sauf distraction. 
Vous devez être membre accéder à ce service...
Pas encore inscrit ?
1 compte par personne, multi-compte interdit !
Ou identifiez-vous :