Inscription / Connexion Nouveau Sujet
Niveau maths sup
Partager :

Electrocénitique

Posté par
datasciecectt
03-01-22 à 23:12

Bonsoir,
J'ai essayé de faire cet exo mais je ne sais pas si c'est juste ou pas donc si vous pouvez me dire si j'ai tord et pour quoi?

-----------

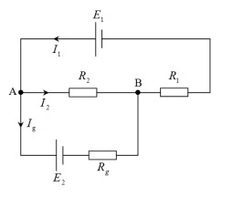
Soit le circuit électrique donné ci-contre. On se propose de
déterminer le courant traversant la résistance Rg.


Electrocénitique

en utilisant la loi des mailles et nœuds j'ai trouvé que:


Electrocénitique

I1=I2+Ig.....1

R2*I2+R1*I1=E1......2
Rg*Ig-R2I2=-E2......3
E1=R1*I1+R2*I2.....4

------------
le problème c'est que esq je peux prendre qu'une seule équation et trouver Ig?
comme par exemple si je prends l'équation 3 je trouve que
Ig=(-E2+R2I2)/Rg
esq c'est juste ou esq je dois utiliser les autres équations?

Posté par
vanoise
re : Electrocénitique 03-01-22 à 23:53

Bonjour
En raccourcissant le fil de liaison entre E1 et R1, tu vas remarquer que ton circuit est en fait constitué de trois branches en parallèle, un peu comme dans cet autre exercice sorti récemment sur le forum mais avec une branche en moins. Théorème de thevenin
La méthode la plus simple consiste à déterminer d'abord la tension commune aux trois branches : UAB par le théorème de Millman ou par tout autre méthode. Facile ensuite d'obtenir les diverses intensités.



Mentions légales - Retrouvez cette page sur l'île de la physique - chimie
© digiSchool 2026

Vous devez être membre accéder à ce service...

Pas encore inscrit ?

1 compte par personne, multi-compte interdit !

Ou identifiez-vous :


Rester sur la page

Désolé, votre version d'Internet Explorer est plus que périmée ! Merci de le mettre à jour ou de télécharger Firefox ou Google Chrome pour utiliser le site. Votre ordinateur vous remerciera !