Bonsoir, je bloc sur ces exercices. Pouvez-vous m'aider svp
** exercice effacé **
Amplificateur opérationnel parfait
*** message dupliqué ***
Edit Coll : topic dupliqué, merci de respecter la FAQ, un problème = un topic
Bonsoir,
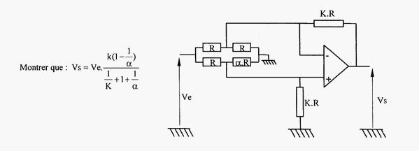
Pour le B, tu commences par considérer le montage "entre" Ve et V+ (soit Ve, R,
R et KR), et on trouve une relation entre Ve et V+ (refais un schéma en ne gardant que cette partie là du montage, désolé je n'ai pas le temps de le faire proprement).
Puis on considère l'autre partie : Ve, R, R, V-, KR et Vs (là encore, refais un schéma de cette seule partie). Avec le théorème de Millman en V-, tu obtiens une seconde relation entre V-, Ve et Vs (n'oublie pas que i+ = i- = 0 pour l'ao parfait). Comme l'a dit Marc35, tu utilises ensuite le fait que l'ao est parfait, et que V+=V-
J'ai ensuite 8 lignes de calcul (en avançant TRES doucement) pour obtenir le résultat proposé.
Peut être y a t il une autre méthode plus élégante ?
Bonne recherche.
*** message déplacé ***
Pour le 2ème :
Thévenin sur l'entrée v-
Thévenin sur l'entrée v+
Millman pour trouver v-
Diviseur de tension pour trouver v+
Et v+ = v- (ampli op parfait)
*** message déplacé ***
Pour v- :
Eth1 = Ve/2
Rth1 = R/2
Pour v+ :
Eth2 = Ve
/(
+1)
Rth2 = R
/(
+1)
Millman sur v- :
Pont diviseur sur v+ :
Et on fait v- = v+ (ampli op parfait)
Et on trouve la réponse...

i1 = (Ve - V-)/R
i2 = -(V-)/R
i = i1 + i2 = (Ve - 2.V-)/R
Vs = V- - KR.i
Vs = V- - K.(Ve - 2.V-)
Vs = (V-).(2K + 1) - K.Ve
----
Or par simple diviseur de tension, on a: V+ = Ve.alpha.K/(alpha + K + alpha.K)
et comme V- = V+ --->
Vs = Ve.alpha.K/(alpha + K + alpha.K) * (2K + 1) - K.Ve
Vs = Ve.[alpha.K/(alpha + K + alpha.K).(2K + 1) - K]
Vs = Ve.K.[alpha.(2K + 1) - (alpha + K + alpha.K)]/(alpha + K + alpha.K)
Vs = Ve.K.(alpha.K - K)/(alpha + K + alpha.K)
Et en divisant numérateur et dénominateur par alpha.K -->
Vs = Ve.K.(1 - 1/alpha)/(1/K + 1/alpha + 1)
-----
Sauf distraction. 
J.p , je n'ai pas compris le develloppement de Vs pourrais tu plus détailler le passage entre le 2eme le 3eme et le 4eme Vs
Vous devez être membre accéder à ce service...
Pas encore inscrit ?
1 compte par personne, multi-compte interdit !
Ou identifiez-vous :