Bonjour,
Je souhaite réaliser les circuits 1 et 2.
J'ai néanmoins quelques questions relatives à ces circuits:
1) Dans le circuit 1, les 2 résistances sont en série, de ce fait, je peux les remplacer par un3 seule résistance ayant pour valeur la somme des deux résistances.
2) Dans le circuit 2, peux-on toujours appliquer la loi des mailles ?
Notamment, peut-on écrire : Ugbf=UtransfoA
Puis UtransfoA=Ur-UtransfoB-Ur ?
J'ai un doute, pout les valeurs instantannées des tensions je pense que oui mais pour les valeurs efficaces, je ne pense pas.
Effectivement, généralement un transformateur est constitué d'une bobine en dérivation avec une autre, de ce fait il y a un déphasage entre la tension et l'intensité, ce qui doit être pris en compte lors de l'utilisation de la loi des mailles avec les valeurs efficaces.
Donc peut-on dire que le circuit 2 et 4 sont équivalents avec R2=2R1 ?
3) Est-ce qu'un transformateur augmente la puissance électrique ?
Je pense que non, cela augmente/diminue la tension mais l'intensité sera diminuer/augmenter de manière réciproque.
4) Peut-on dire que le circuit 2 et 3 sont équivalents avec pour le circuit 2 Ugbf= 6 volts, un transfo élévateur de m=10 et pour le circuit 3 : Ugbf =60 V.
Je pense que oui.
5) Un transformateur élévateur, le côté primaire correspond bien au côté ayant le moins de spires, de faible tension et le secondaire au côté ayant le plus de prise, de forte tension ?
Pour un transformateur abaisseur, il s'agit de l'inverse ?
6) Peut-on dire qu'un transformateur élévateur de facteur élévateur m est un transformateur abaisseur de facteur abaisseur 10/m di on le branche dans l'autre sens ?
7) Dans le circuit B, le transformateur A est un transformateur de facteur élévateur m et le B est abaisseur de facteur abaisseur 1/m.
Pour une même tension du gbf, peut-on dire que l'intensité traversant la résistance du circuit B est plus faible que celle du circuit A ?
8) si on alimente un transformateur avec une tension ou une intensité trop élevée, cela peut abîmer le transformateur ou ce n'est pas bien grave ?
Un transformateur "abimée" pourra toujours élevée ou abaissée la tension ?
Merci d'avance

***Bonjour***
Dans l'ensemble, c'est correct. Quelques précisions :
Utilisez le symbole d'un transfo plutôt qu'un rectangle.
2) Dans un transfo les bobines ne sont pas en dérivation : il n'y a pas de liaison électrique, et elles sont en série magnétiquement parlant.
Vu le sujet, on peut se placer dans le cadre d'une transfo idéal et dans ce cas, la phase (u,i) est donnée par la charge et comme celle-ci est résistive, cela fait 0.
Dans vos formules vous avez deux UtransfoA qui ne désignent pas la même tension et de même pour les deux Ur.
Je suppose que (4) est le circuit non numéroté.
8) Un transformateur "abimé" est "grillé" : l'isolation entre spires est compromise, donc rebut.
***Bonjour***
Essaie de comprendre ceci ?
Cela devrait déjà te permettre de répondre à plusieurs de tes interrogations.
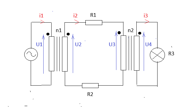
n1 = U2/U1 = i1/i2
n2 = U4/U3 = i2/i3
En reportant R3 au primaire du transfo 2 :
i2 = U2/(R1 + R2 + (R3/(n2)²)
i2 = U1 * n1/(R1 + R2 + (R3/(n2)²)
i1 = U1 * n1²/(R1 + R2 + (R3/(n2)²)
i3 = U1 * n1/[n2.(R1 + R2 + (R3/(n2)²)]
U3 = U2 - (R1+R2)*i2
U3 = n1.i1 - (R1+R2)*i2 (avec i1 et i2 calculés ci-dessus)
On peut alors aussi calculer la puissance fournie par le générateur : P1 = U1 * i1
et la puissance dissipée dans (R1 + R2) par P2 = (R1+R2)*i2²
et la puissance dans l'ampoule (résistance R3) par P3 = R3 * i3²
On pourra alors constater que P1 = P2 + P3
Ceci en supposant les transfos sans pertes magnétiques et en négligeant l'effet des courants magnétisants, normalement beaucoup plus petits que les courant du à la charge.
Bonjour,
Petit complément pour les questions 6 et 8.
6) Dans l'autre sens, c'est 1/m, mais ce doit être simplement une faute de frappe. Par contre, pour un branchement inverse, attention à ne surtout pas dépasser au primaire la tension nominale initiale du secondaire. Voir les raisons ci-dessous.
8) Alimenter le primaire par une tension supérieure à la nominale n'abime pas seulement le transformateur mais peut conduire carrément à ce qu'il prenne feu par surchauffe si la tension est suffisamment élevée. Deux raisons à cela
* les pertes fer (pertes dans le circuit magnétique) augmentent très rapidement avec la tension (on admet généralement qu'elles sont proportionnelles au carré de la tension)
* le courant appelé (donc les pertes cuivre au primaire) augmente aussi très rapidement à cause de la saturation du circuit magnétique.
Ceci explique en particulier que le courant appelé à la mise sous tension peut présenter une surintensité notable pendant quelques alternances. Cet effet disparait évidemment très rapidement, donc est sans danger pour le transformateur mais nécessite l'utilisation de fusibles spéciaux si on veut en mettre au primaire.
D'accord, merci pour vos précieuses réponses.
Sur le schéma de Candide, je pourrais très bien remplacer la résistance R1 et R2 par une résistance équivalent Réq=R1+R2?
En disposant d'un transformateur A 6V(primaire)/48V(secondaire) et un transformateur B 48V(primaire)/6V(secondaire).
J'effectue deux circuits distincts, le premier qui correspond à mon circuit 1 du premier message et je mesure l'intensité i1 traversant la résistance R1 (i1
80mA)
J'effectue ensuite le circuit de Candide et je mesure i2 l'intensité traversant i1.
En effectuant ces mesures avec différents transformateurs, j'otiens parfois i2
7mA et parfois
105 mA.
Je ne comprends pas bien pourquoi j'obtiens ces résultats différents.
Ce qui me perturbe c'est que je suis censé trouver que i2<i1 or selon le montage je ne trouve pas cette conclusion.
Est-ce que je peux utiliser deux transformateur 6V/48V (en tenant le second comme si c'était un 48V/6V) au lieu d'un 6V/48V et un 48V/6V ?
D'où peut venir ces résultats différents ? Des appareils ou fils défectueux ?
Bonjour,
Avez-vous fait les calculs suggérés par Candide ?
Si oui, combien trouvez-vous ? Un calcul à la (très grosse) louche donne 10 mA, donc 7 mA pourquoi pas ? Par contre 102 c'est 10,2 ?
Précisez votre schéma pratique, que vaut R1 ? Caractéristiques de la lampe ? Qu'y a-t-il de différent lorsque vous passez d'une valeur à une autre ? Avez-vous travaillé avec tension d'entrée du premier transfo constante (ou fem GBF = Cte) ?
Mesurez à chaque fois les tensions d'entrée/sortie.
A mon avis, votre transfo 48/6 est le même que le 6/48.
Bonjour,
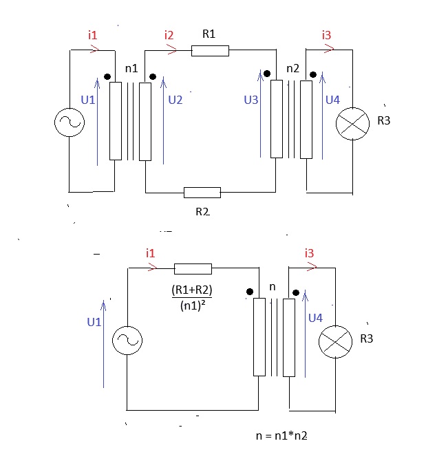
Voila des schémas équivalents :
Et dans le cas particulier où n1 = 1/n2 , on a n = n1*n2 = 1, on peut alors se passer du transfo dans le schéma du bas.
On remarquera quand même qu'on ne retrouve pas (R1+R2) dans le schéma du bas mais bien (R1+R2)/(n1)²
Si on "oublie" ce "détail", alors les schémaa n'ont rien d'équivalents.

Bonjour,

Bonjour,
Dans ce cas le 102 (105) mA est une erreur de mesure : vous n'avez peut-être pas mesuré le même courant (celui dans R1). Le 102 vs. 80 serait cohérent si vous aviez mesuré i3.
Pour ce qui est des R équivalents, tout dépend ce que vous entendez par là : en terme des mailles qu'il y ait un transfo, un transistor ou je ne sais quoi d'autres, la loi des mailles donne ...R1 I+... R2 I+ ... =0 qui est bien équivalente à ... (R1+R2) I + ...=0.
Par contre en terme par exemple de potentiel, le schéma avec R1 et R2 n'est pas équivalent à celui avec Rtot=R1+R2 : si, disons la sortie en bas du premier transfo est à la masse, dans le cas (R1 R2) l'entrée du deuxième transfo ne le sera pas alors que dans le cas (Rtot), il le sera. C'est peut-être cela que vous pensiez, mais dans ce cas, ce le cas tout le temps, pas seulement avec transfo. Et je suppose que vous connaissez le problème pratique des masses.
Vous devez être membre accéder à ce service...
Pas encore inscrit ?
1 compte par personne, multi-compte interdit !
Ou identifiez-vous :