bonjour,
j'ai un ptit pb pour faire mon exo je n'arrive pas a calculer la Req
il faut que je calcule la Req du circuit complet...
r1=r7=1k , r2=r4=2.2k, r3=r5=r8=3.3k, r6=4.7k et E=20V
bonjour
Soit R1 et R2 deux resistances:
si R1 et R2 sont en series alors la resistance equivalente Eq est egale a
Eq=R1+R2
si R1 et R2 sont en paralleles alors la resistance equivalente Eq est egale a
1/eq=1/R1 + 1/R2
il faut appliquer ca plusieurs fois
oui merçi pour votre réponse, mais le pb c'est que je n'arrive pas à le faire plusieurs fois, il faut le faire en +ieurs fois , mais je me plante!
Bonjour
Je ne parviens pas à lire tes indices de R
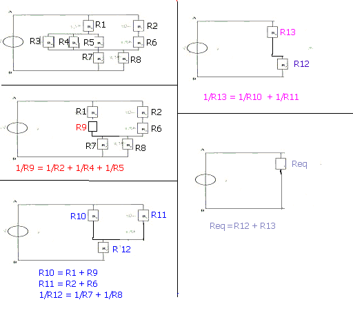
J'appelle R1 à R8 les résistances en les nommant dans le sens conventionnel de lecture de gauche vers droite et de bas en haut
Ainsi on a (R1+(R3//R4//R5))//(R2+R6) + R7//R8 avec +=série et //=parallèle
soit 1/( 1/( R1+1/( 1/R3+1/R4+1/R5 ) )+1/( R2+R6 ) ) + 1/( 1/R7+1/R8 )
Vérifie et adapte tes R aux miennes
Philoux
avec ca je devrais y arriver merçi!
Attention que ne sachant pas lire sur le schéma, les repères des résistances que j'ai mis sont peut-être différents de ceux prévus.
Les calculs sont pour toi et faciles en suivant le dessin.

merçi bcp pour les schémas j'ai mieux compris,
voilà ce que j'ai trouvé: avec mes résistances:
(r3+(r4//r5//r6))//(r1+r2) +r7//r8
soit 1/(1/(r3+1/(1/r4+1/r5+1/r6))+1/(r1+r2))+1/(1/r7+1/r8)
calcul :
Req=1/(1/(3.3+1/(1/2.2+1/3.3+1/4.7)) +1/(1+2.2))+1/(1/1+1/3.3)
=1/(1/(4.3/(1/2.2+1/3.3+1/4.7))+1/(3.2))+1/(1+1/3.3)
=1/(1/(4.3/(0.97))+0.325)+0.7674
=1/(0.22558+0.325) +0.7674
=2.58kohms
je pense que c'est bon...
pour t'en assurer, compare cette valeur obtenue avec la formulation de 14:43 avec celle de J-P de 14:59 qui détaille chacune des résistances équivalentes intermédiaires, chose que je n'ai pas faite
Attention à la formulation de J-P concernant R9; il faut lire :
1/R9 = 1/R3 + 1/R4 + 1/R5 (une petite distraction
)
Philoux
Vous devez être membre accéder à ce service...
Pas encore inscrit ?
1 compte par personne, multi-compte interdit !
Ou identifiez-vous :