Bonjour,
J'ai un problème avec un exercice de modulation.
J'ai un signal modulé,
Amplitude max de l'enveloppe : 4V
Amplitude min de l'enveloppe : 1V
Ensuite pour le côté négatif c'est symétrique par rapport à l'axe des x=0.
On veut trouver l'amplitude de la porteuse et du modulant avant modulation.
Dans la correction,
On note Vmax = (1+ma)×Po
Après avoir calculé "ma" c'est facile à trouver pour l'amplitude de la porteuse.
Pour le modulant, il est écris Mo = (Vmax - Vmin )/ 2
Soit Mo = 4 - 1 / 2 = 1.5 V
Mais ce que je ne comprends pas, c'est que pour une modulation avec porteuse, le signal modulant, qui sert d'enveloppe, à son amplitude minimale, donc initialement égale à 0, qui se décale de 1, et donc pour moi logiquement l'amplitude du modulant est de 3V initialement.
Bonjour,
Vous êtes sûr de la question ?
Comme on a affaire à un produit donne le même signal modulé que
, donc on ne peut trouver séparément les deux amplitudes. D'autre part, il y a le facteur du multiplieur (le 1/10 de mon expression) qui intervient.
Pourriez-vous fournir l'énoncé et le corrigé exact ?
Bonjour, merci pour votre réponse, voilà ce que j'ai noté pour la correction avec l'énoncé ci-joint . À noter que la question "Amplitude du modulant ?" a été rajoutée à la question 4).
Merci

Bonjour,
C'est un peu plus clair, mais il reste des zones d'ombre.
Vous réalisez la modulation avec un additionneur en sortie du multiplieur.
Maxi
Mini (de l'enveloppe supérieure)
On a bien
Par contre
Ceci étant, M0 n'est pas demandé dans l'énoncé, et ce M0 n'est pas défini, il pourrait être égal à ?
Donc le problème est dans la définition de "amplitude du modulant".
Comment celui-ci a-t-il été défini en cours ?
Habituellement, la grandeur utile est le taux de modulation (votre ma).
Bonjour,
Une autre grandeur utile : l'amplitude des raies latérales dans le spectre, celles-ci valent , donc la moitié de votre M0 "amplitude du modulant". Donc ce M0 présente un intérêt, le problème étant alors plutôt un problème de dénomination. Pour vous, que signifie "amplitude du modulant" ?
D'accord merci beaucoup pour votre réponse.
Pour moi, ce que j'appel "amplitude du modulant" est l'amplitude du signal modulant avant la modulation, donc du signal de base.
Bonjour,
C'est aussi ma définition, mais pour remonter à ce signal, il faut savoir comment se fait la multiplication, si c'est un multiplieur, il faut connaitre son coefficient (le 1/V0 de mes expressions).
D'accord, merci beaucoup.
Pour la première question, doit-on dire que c'est une modulation avec ou sans porteuse ?
Pour moi, vu le décalage de "1" du signal, qui correspond au "1" dans la formule S(modulé) = p(t) * [1+k*m(t)], c'est avec porteuse.
Ou alors j'ai tout faux ?
Désolé pour le repost, mais vos expressions précédentes ne correspondent pas tout à fait à ce que j'ai vu en cours.
Moi j'ai S(modulé) = Po * cos (wp * t ) * [ 1 + k* m(t) ] avec m(t) le modulant.
Bonjour,
A priori vous avez compris, c'est bien une modulation avec porteuse.
Pour le reste, c'est plus un problème de vocabulaire qu'autre chose :
Manifestement, votre cours appelle M0 "l'amplitude du modulant", alors que c'est plutôt le signal modulé.
D'autre part, pour ce qui est de votre 3V vs. 1,5V du corrigé, si , b est l'amplitude de la partie alternative (ce serait le 1,5V), cette partie alternative oscille entre -b et +b soit 2b (ce serait 3V) qu'on appelle plutôt amplitude crête-crête.
Pour finir le décalage du signal de 1 est une décalage de 1V, alors que le 1 de (1+k*m) est un nombre pur. Votre signal s'écrit , le minimum de 1V correspond à
, qui dépend de "1" mais aussi du taux de modulation et de l'amplitude de la porteuse.
"S(modulé) = Po * cos (wp * t ) * [ 1 + k* m(t) ]"
On est bien d'accord sur cette expression, et en particulier on voit bien qu'on ne peut obtenir le modulant sans connaitre k. Mais on peut développer cette expression :
S(modulé) = Po * cos (wp * t ) + Po * cos (wp * t )* k* m(t)
pour comprendre que pour "fabriquer" ce signal, une méthode possible consiste bien à ajouter la porteuse avec le produit de la porteuse et du modulant.
Mon expression correspond à la réalisation concrète (TP) d'une modulation AM.
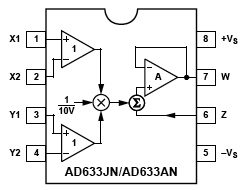
On utilise un multiplieur :
On note et
.
La sortie vaut avec
.
Pour x on prend la porteuse , pour y le modulant
et pour z de nouveau la porteuse.

Mais à quoi sert la valeur constante Vo ?
Sinon d'accord je vois mieux les choses, je n'ai pas encore effectué les tp de télécommunications sur ce chapitre.
Un multiplieur prend comme entrées deux tensions x et y et donne en sortie une tension Vs.
Vs ne peut pas être égal à x*y pour des raisons de dimension, donc on a obligatoirement Vs=k*x*y ; k a comme dimension l'inverse d'une tension, on préfère donc noter k=1/V0. Soit
Remarque : si on revient à mon premier message pas tout à fait cohérent avec votre texte, c'est que j'ai interprété en terme de TP : ma première expression correspond au cas où l'on met z à 0 et l'on prend comme entrée y un GBF avec un décalage.
D'accord merci beaucoup pour vos réponses rapides et bien expliquées, tout est maintenant plus clair. Bonne journée à vous 
Vous devez être membre accéder à ce service...
Pas encore inscrit ?
1 compte par personne, multi-compte interdit !
Ou identifiez-vous :