Inscription / Connexion Nouveau Sujet
Niveau maths sup
Partager :

Exercice : étude d'un circuit RLC

Posté par
fraizze-rouge
30-12-09 à 19:22

Bonjour tout le monde, j'ai besoin d'aide pour un exercice sur un circuit RLC en régime sinusoïdal. Je suis bloquée dès le départ donc je ne peux poursuivre, j'aimerais un peu d'aide svp . .
L'énoncé est le suivant :
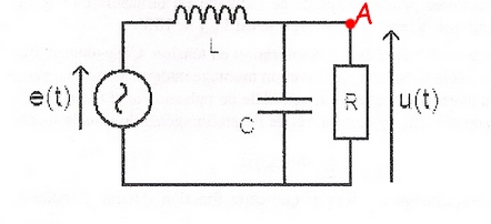
On considère le montage suivant comportant un générateur de tension idéal, délivrant un signal sinusoïdal e(t) d'amplitude E=2V et de pulsation réglable \omega  . Le but est d'étudier la tension u(t) aux bornes de la résistance R à l'extrémité du circuit.

1. Utiliser le théorème de Millman pour obtenir une relation entre U et E.
2. EN déduire l'expression de U en fonction de L,C,R,E et \omega .

Est-ce-qu'il faut utiliser le théorème de Millman au point A soit entre la bobine et le condensateur ??

Merci pour votre aide

Exercice : étude d\'un circuit RLC

Posté par
ChateauDav
re : Exercice : étude d'un circuit RLC 30-12-09 à 19:25

Applique Millman au point supérieur droit de ton circuit.

Posté par
fraizze-rouge
re : Exercice : étude d'un circuit RLC 30-12-09 à 19:34

Il faut donc que je l'applique ici ??
On ne prendra donc pas en compte le condensateur en l'appliquant ici. .

Exercice : étude d\'un circuit RLC



Mentions légales - Retrouvez cette page sur l'île de la physique - chimie
© digiSchool 2026

Vous devez être membre accéder à ce service...

Pas encore inscrit ?

1 compte par personne, multi-compte interdit !

Ou identifiez-vous :


Rester sur la page

Désolé, votre version d'Internet Explorer est plus que périmée ! Merci de le mettre à jour ou de télécharger Firefox ou Google Chrome pour utiliser le site. Votre ordinateur vous remerciera !