Bonjour voici mon exercice:
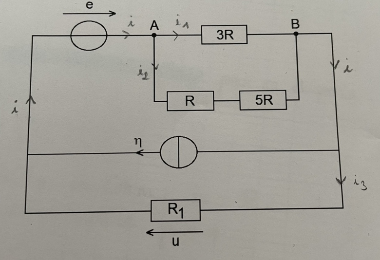
Déterminer l'expression de la tension u aux bornes du résistor de résistance R1 en fonction de e,R,
et R1
J'ai essayé de partir soit de la loi d'Ohm avec u=R1xi3 (i3 que j'ai nommé) ou de la loi de la plus grande maille mais je n'arrive pas à avoir tout les paramètres merci de votre aide

Bonjour
Tu peux commencer par simplifier le circuit en remplaçant les trois résistances (R, 5R,3R) par la résistance équivalente Re.
Ensuite, la loi des noeuds ainsi que l'égalité des tensions aux bornes de R1 et de {e+Re} fournit la réponse.
Si tu préfères : la loi des mailles appliquée à la "grande maille" contenant R1, e et Re. Impossible d'appliquer la loi des mailles à une maille contenant le générateur de courant car la tension à ses bornes n'est pas connue.
A oui d'accord je vois merci beaucoup oui c'est ce que je me suis dit la tension du générateur est inconnu merci beaucoup de votre aide
l'énoncé est clair :
, R, et R1
, R et R1 sont supposées connues même si on ne te demande pas une application numérique.Re bonjour vanoise
Je vous avoue que je tourne un petit peu en rond je n'arrive pas à avoir tout les paramètres demander. Je suis bloqué quand je fait ca
e-U1+U=0 (U1 ddp a la résistance Re)
e-Rei=-U
e-Re(
+i3)=U
e-Re(
+(R1/U)=U
Mais je ne vois pas comment supprimer le U
Vous devez être membre accéder à ce service...
Pas encore inscrit ?
1 compte par personne, multi-compte interdit !
Ou identifiez-vous :