Inscription / Connexion Nouveau Sujet
Niveau autre
Partager :

charge et décharge d'un condensateur

Posté par
khalidqlf
08-03-24 à 11:54

Bonjour je viens à vous car j'ai un problème pour 2 exos, je ne comprend les corrections.

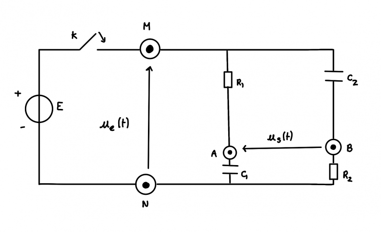
Pour le première exercices on étudie la charge de 2 condensateur (je vous fais parvenir le schéma ci-dessous)
Les questions précédentes demandaient de déterminer de l'évolution de la charge q1 et q2 pour les condensateurs C1 et C2, j'en suis donc arrivé à q1(t) = C1E( e-t/R1C-1) et q2(t) = C2E( e-t/R2C-1)

Puis la question d'après demande d'exprimer us(t) pour t>0, et déterminer son évolution en fonction du temps, dans l'hypothèse où R1=R2=R et C1=C2=C

Je suis donc partie du fait que U=R*I et que i= dq/qt  et j'en suis arrivé à (E* e-t/RC)*( E* e-t/RC) <=> E²*e2t/RC

Mais la  correction fait de la manière suivante:                                                                  
                                       us(t)= Va(t)-Vb(t)         (ça je suis d'accord)
                                       = uC1(t) - uR2(t)
                                       = q1(t)/C1 - R2*dq2/DT
us(t)= qt/C - Rdq/dt
= E (1-et/RC) - R(-CE(-1/RC)e-t/RC
= E (1-2e-t/RC) us(t)
je n'ai pas compris pourquoi us(t) = q1t/C1 - R2*i2(t) surtout qu'on a poser que R1=R2=R et pareille pour C.

Pour ce qu'il en ai du deuxième exercice, cette fois on étudie la décharge d'un condensateur, il fallait déterminer aussi l'évolution de la charge, et de i, en vertu de trouver par la suite la puissance et la puissance échangé par le condensateur.

J'ai donc trouvé pc = - E²/R* e-2t/RC

Pour la puissance échangé j'ai trouvé l'intégrale mais je n'ai pas compris son résultat.

On a donc W = -E²/R* [-RC/2*e-2t/RC  pris entre 0 et plus l'infinie

Et on censé trouver en calculant l'intégrale -CE²/2 mais je  ne comprend pas ce résultat.

Merci !

Posté par
khalidqlf
re : charge et décharge d'un condensateur 08-03-24 à 11:57

Voici le schéma

charge et décharge d\'un condensateur

charge et décharge d\'un condensateur

Posté par
vanoise
re : charge et décharge d'un condensateur 08-03-24 à 12:29

Bonjour

Citation :
je n'ai pas compris pourquoi us(t) = q1t/C1 - R2*i2(t) surtout qu'on a poser que R1=R2=R et pareille pour C.

Us(t)=UAB(t)=UAN(t)-UBN(t)
L'énoncé précise : "exprimer us(t) pour t>0, et déterminer son évolution en fonction du temps, dans l'hypothèse où R1=R2=R et C1=C2=C".

Il serait mieux de créer un deuxième sujet sur le deuxième exercice sans oublier le schéma.

Posté par
khalidqlf
re : charge et décharge d'un condensateur 08-03-24 à 15:28

Bonjour,

D'accord je vois je n'avais pas pensé ça.
Merci pour votre aide.



Mentions légales - Retrouvez cette page sur l'île de la physique - chimie
© digiSchool 2026

Vous devez être membre accéder à ce service...

Pas encore inscrit ?

1 compte par personne, multi-compte interdit !

Ou identifiez-vous :


Rester sur la page

Désolé, votre version d'Internet Explorer est plus que périmée ! Merci de le mettre à jour ou de télécharger Firefox ou Google Chrome pour utiliser le site. Votre ordinateur vous remerciera !