Bonjour à tous
J'ai fait cet exercice, mais je ne trouve pas la bonne solution, et je ne sais pas ce qui est faux.
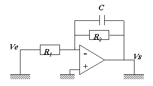
en utilisant le théorème de Millman au point 0 (car masse)
0= Ve/R1 + Vs/( 1/R2 + jcw) car Zc=1/jcw d'où Y=jcw
d'où on obtient Vs/Ve= -(1+ jR2cw)/R1R2
où est l'erreur HELP svp!
merci

Hey ! Je connais ce montage, c'est un montage pseudo-intégrateur, je l'ai eu en cours, en TP et aussi au Partiel
La force de l'habitude ...
Tout d'abord un peu de correction s'impose
... En fait la borne (+) de l'Amplificateur est branché à la masse.
Allez prêt à comprendre les calculs ?
On évoque l'égalité suivant :
= v+=v-, soit v+=v-.
En négligeant les courants de polarisation, on écrit la loi des noeuds en termes de potentiel à l'entrée inverseuse en notant Z l'impédance équivalente à l'association en parallèle de C et de R2
(Ve/R1)+(Vs/Z)= 0 (1)
Avec
Z = 1/((1/R2)+jCw) = R2/(1+jCwr)
donc d'aprés (1) on a l'équation :
Vs = (R2 x Ve) /(R1(1+jCwR2))
Voila tu as l'équation de Vs en fonction des composants... si tu veux avoir le rapport faut juste déplacer Ve et tu as :
Vs/Ve = R2/(R1(1+jCwR2))
J'espere que vous avez compris ?
(Help je suis nouveau ici, quelqu'un pourrait m'expliquer comment on met les formules mathématiques dans le post ?? )
Vous devez être membre accéder à ce service...
Pas encore inscrit ?
1 compte par personne, multi-compte interdit !
Ou identifiez-vous :